Джебел - клуб

Здравствуйте, гость ( Вход | Регистрация )

> История одного XRа, Бортовой журнал XR250-BAJA 96г.в.
AcID_hac
сообщение 9.3.2013, 11:13
Сообщение #1


Сильно заинтересован
****

Группа: Пользователи
Сообщений: 380
Регистрация: 18.3.2012
Вставить ник Цитата Из: Екатеринбург
Мотоцикл: Хонда XR-250 (Baja) 96 г.в.
KTM SX 350 F 2016 г.в.

Репутация:   10  


5.8.2012

Здавствуйте господа, ну вот и закончился сезон для меня и моего мопеда,
а закончился совершенно неожиданно. Подошло време ненять масло,
(первая замена мной для этого мото 1000 км), поменял, на след.,
день стал клапана регулировать, все помыл продул как положенно,
выкрутил пробки вставил свечную головку выкручивать свечу,
и свечка выкрутилась от руки вместе с 3-4 нитками резьбы, все накатался.

Огорчился конечно немного, но не долго.
Так как планировалась осенью замена ГРМ, все это дело теперь будет осуществляться сейчас.
ну и попутно все остальное, что потребует замены.

Разобрал мопед до рамы:

Снял мотор, вскрыл его, колхоз начался когда пришлось думать как открутить гайку сцепления.
По аналогии с фирмачевой было сделано на скорую руку из двух уголков 55х55х5

Вскрыл клапанную крышку: износ на распредвале есть, замер показал в "допусках", но "кариес"
присутствует. Как выяснили мои изыскания и консультация с мотористом - было решено оставить.

Потшипники распредвала уставшие.
Цепь умерла
Натяжитель цепи был в полностью выжатом состоянии.
Небольшой износ верхней звезды ГРМ.
На рокере с флажком под декомпрессор имееться достаточно неприятный износ.


Изучив как стоит натяжитель, я понял что иненно стучит при изношенной цепи грм на холодную.ИМХО
Так вот, конструкция натяжителя состоит из двух половинок и слайдера между ними сгибаемого как "лук"
стягиваемых пружиной, и когда цепь вытянута то и натяжитель находиться в полностью сжатом состоянии или почти,
и в этот самый момент получаеться удар, между потовинами, а когда нагрееться то цепь еще больше прослабляеться
и тогда сомкнувшиеся детали натяжителя больше не стукаются друг об друга.
Видео пример прилогаеться.


6.8.2012

Сегодня вынул поршень, на нем следов износа нет практически,
а вот кольца поточились на первом зазор 0,84 на втором 1,15. Маслосъем мерить не стал.




20.8.2012
После проведения всех замеров было решено заказывать КИТ от wiseco и ставить.
Аналог КИТа
Попутно заказано: цепь америка, звезда америка, Набор прокладок "вкруг"

12.09.2012
Получил прокладки:



Поизучав свой мотор, пришел к выводу что стук при мертвой ГРМ происходит отсюда:
ход примерно составляет 0,6-0,9мм.

Видим ход, КМК это он и бренчит на пограничных моментах, когда цепь нагрееться то еще больше "прослабляеться"
и потовинки плотно сжимаються и стук проходит...

19.09.2012
Пришла с англии редкая и дорогая свеча (к нас 950р.)
С доставкой 450р.


Пока медленно тащаться запчасти со всех краев света, рукам покоя не даю,
сделал защиту тормозного диска заднего колеса...

Новая изготовлена из стали 04Х18Н10Т и сварена АДС.
Потом обработана пескоструйкой.

26.09.2012
Забрал цилиндр с расточки, курю манул на кольца на предмет зазоров.
В двух словах в инструкции написано что необходимо взять диаметр цилиндра
в дюймах и умножить на соответствующий коаффициент, смотри в таблицу.

И так может кому пригодиться.
Освоив инструкцию. Пришел к выводу.
Что для моего случая зазоры в кольцах необходимо устанавливать:

Первое- 0,0118896 (0,30199584 мм) ~ 0.3
Второе- 0,014862 (0,3774948 мм) ~ 0.4
Маслосъемные- 0,01 (0,254) ~ 0.25

Вот как то так!




01.10.2012
Сегодня добрался таки до гаража и наконец-то восстановил резьбу под свечку в голове.


это закручена от руки, потом я закрутил с нужнм усилием и она глубже на виток села вообщем "так как надо" (с)

06.10.2012
Имеем ушатанные пыльники-гофры. Покупать родные религия не позволяет.

Приобрел пыльники задних амортов от тазика по 140 рэ, и собрал два новых пыльника для мопеда.

Пыльники от тазика 09 задие на амортизаторе
Установлены на мопедке


12.10.2012
Пришел набор потшипников
Моя покупка!
Померил все точно, подходит. Так что можете заказывать кому надо, с учетом доставки 1426,78 рублей.
Еще заказал колодки тормозные
Моя покупка

22.10.2012
!!!Собрал мопед!!!
Первый запуск!




23.10.2012
Итак, осталось только поставить свет и приборы.
От старого хозяина достался "колхоз" в виде перемещения бугеля с рамы на траверсу, причем похабно...

Но мне понравилось что фара поворачиваеться вместе с рулем, по этому решил переделать по хорошему, ну и укоротить бугель.
Изготовил кронштейн и к нему прикручу переделанный бугель...



31.10.2012
Так ну все, мот собран окончательно и полностью.
Вот как теперь фара сидит, плотно, крепко, да и вообще мне нравиться...

По путно еще заколхозил подъемник, но так как он делался для себя, выглядет не очень аккуратно.

2.11.2012
Ну все, тему ремонта мотоцикла считаем закрытой.
Далее будет "бортовой журнал XR250-BAJA 96г.в." или "История одного XRа"

26.11.2012
зашиповал-зашурупил покрышки и покатался.
Вот что из этого получилось....





3.2.2013
Тема колхоза продолжаеться! Тут на неделе болел, поэтому катание отложил до полного излечения, а так как появилось свободное время решил сколхозить перетяжку сидухи...
От старого хозяина седло досталось с кариесом:

Вскрыв сие дело, снял родную шкуру:

Котэ помогает

Далее родную шкуру разрезал по всем швам, получилось 3 куска:

Потом по этим кускам перевел на дешевый "дермонтин" для выкройки и для потренироваться...
Сделал припуски поболее навсякий случай...

Собрал, натянул, прикинул, подобрал мелкие косяки, обрезал большие припуски и распустил все швы, выкройка готова!!!

Потом перевел с выкройки на нормальный материал, вырезал и сшил уже чистовой вариант...



12.2.2013
Опять заварил ручку переднего тормоза, только теперь еще и наварил кусочек люминя снаружи. Вышло прочно и толсто ))))


14.2.2013
Пока идет оригинал.
Поставлю такой колхоз. Наварил пруток х18н9
было ДО:


стало после:


еще на очереди руль и защита по образу и подобию асербис...


09.03.2013

Готовая защита:

и руль (по образу рентал)



--------------------
Destroy my self...
Полезно: 0
Вредно: 0
Перейти в начало страницы Перейти в конец страницы
+ Цитировать сообщение
6 страниц V   1 2 3 > »   
Начать новую тему
Ответов (1 - 99)
Mik
сообщение 9.3.2013, 11:54
Сообщение #2


Живёт здесь
*****

Группа: Свои
Сообщений: 2474
Регистрация: 28.4.2012
Вставить ник Цитата Из: Санкт-Петербург. (North)
Мотоцикл: Husqvarna TE 300


Репутация:   64  


молодец!
молодец, что все это не ленишься и фото/видео "документируешь"
все приспособы самоделки, получаются достаточно аккуратны.

Полезно: 0
Вредно: 0
Перейти в начало страницы Перейти в конец страницы
+ Цитировать сообщение
SuP
сообщение 10.3.2013, 20:09
Сообщение #3


Живёт здесь
*****

Группа: Свои
Сообщений: 1205
Регистрация: 15.12.2011
Вставить ник Цитата Из: Москва
Мотоцикл: Honda PS-250
Такой только у меня и у Майкла Джексона (с)

Репутация:   35  


Цитата
От старого хозяина достался "колхоз" в виде перемещения бугеля с рамы на траверсу, причем похабно...

Но мне понравилось что фара поворачиваеться вместе с рулем, по этому решил переделать по хорошему, ну и укоротить бугель.
Изготовил кронштейн и к нему прикручу переделанный бугель...

Зря ты это, вообще-то... Япы не дураки, что засадили этот паравозный прожектор на раму. На старой бахе, которая XLR, фара была на руле и не зря она от туда переехала....

Полезно: 0
Вредно: 0
Перейти в начало страницы Перейти в конец страницы
+ Цитировать сообщение
i-denis
сообщение 10.3.2013, 21:11
Сообщение #4


...
*

Группа: Заблокированные
Сообщений: 0
Регистрация: 12.2.2011
Вставить ник Цитата Из: N.Novgorod
Мотоцикл: CRF250X 2005

Репутация:   0  


Цитата(AcID_hac @ 9.3.2013, 12:13) *
Готовая защита:

и руль (по образу рентал)

Это че за водопроводная труба??? выкини и купи нормальный руль



--------------------
Писать данному пользователю ЛС нет смысла, не ответит. Администрация.
Полезно: 0
Вредно: 0
Перейти в начало страницы Перейти в конец страницы
+ Цитировать сообщение
Танкист
сообщение 10.3.2013, 21:21
Сообщение #5


Я в танке!
******

Группа: Свои
Сообщений: 8262
Регистрация: 17.11.2011
Вставить ник Цитата Мотоцикл:

Репутация:   76  


Цитата(i-denis @ 10.3.2013, 18:11) *
Это че за водопроводная труба

Вот Любишь ты Ден, у бить в человеке колхозинг rofl.gif ЗЫ: Руль-то, ладно. Вот защита тобишь: компоненты для изготовления в виде стальных хомутов в диаметре резьбы 12мм, и сами чашки" из чугуняки это жесть полная.ЗЫ: Суровые Уральские Парни biggrin.gif

Полезно: 0
Вредно: 0
Перейти в начало страницы Перейти в конец страницы
+ Цитировать сообщение
alex_lexx
сообщение 10.3.2013, 21:34
Сообщение #6


Весьма заинтересован
***

Группа: Пользователи
Сообщений: 61
Регистрация: 25.4.2012
Вставить ник Цитата Из: Ростов ПАПА
Мотоцикл: XR 250 Baja=>KTM 250 2T

Репутация:   0  


По поводу натяжителя цепи: я сталкнулся с проблемой, что пружина протерает "ухо" за которое цепляется и рвет его
Это другим на заметку!
А по теме зачёт clapping.gif

Полезно: 0
Вредно: 0
Перейти в начало страницы Перейти в конец страницы
+ Цитировать сообщение
Докторхх
сообщение 10.3.2013, 22:45
Сообщение #7


Сильно заинтересован
****

Группа: Эндуристы
Сообщений: 302
Регистрация: 2.1.2013
Вставить ник Цитата Из: Москва
Мотоцикл: Baja 95+ Cbr1100xx

Репутация:   6  


прикольная тема, респект. Баха-Байя-Баджа рулят, раздел Хонда процветает. Завоюем Джебель Клуб своими отчетами!)))



--------------------
каждый баран несет свои яйца
Полезно: 0
Вредно: 0
Перейти в начало страницы Перейти в конец страницы
+ Цитировать сообщение
Huandi
сообщение 10.3.2013, 23:13
Сообщение #8


Восемь значков сузуки
********

Группа: Администраторы
Сообщений: 23343
Регистрация: 23.5.2008
Вставить ник Цитата Из: Northern Ural
Мотоцикл: Triumph Tiger 800 XCx 2016

Репутация:   140  


Цитата(AcID_hac @ 9.3.2013, 14:13) *

Опять заварил ручку переднего тормоза, только теперь еще и наварил кусочек люминя снаружи. Вышло прочно и толсто ))))


Теперь при падении сломается у самого корня?

Полезно: 0
Вредно: 0
Перейти в начало страницы Перейти в конец страницы
+ Цитировать сообщение
Танкист
сообщение 10.3.2013, 23:59
Сообщение #9


Я в танке!
******

Группа: Свои
Сообщений: 8262
Регистрация: 17.11.2011
Вставить ник Цитата Мотоцикл:

Репутация:   76  


Цитата(Huandi @ 10.3.2013, 20:13) *
Теперь при падении сломается у самого корня?
Зачем?)) Защиту земляк с мастырил во:


Полезно: 0
Вредно: 0
Перейти в начало страницы Перейти в конец страницы
+ Цитировать сообщение
ikser
сообщение 11.3.2013, 0:02
Сообщение #10


Сильно заинтересован
****

Группа: Пользователи
Сообщений: 119
Регистрация: 25.10.2012
Вставить ник Цитата Из: Харьков
Мотоцикл: Honda CRF250R 2006, KTM EXC 400 2000, DRZ400 2008

Репутация:   4  


Цитата(Huandi @ 10.3.2013, 20:13) *
Теперь при падении сломается у самого корня?

Это в лучшем случае, а может и машинку сломать.



--------------------
Полезно: 0
Вредно: 0
Перейти в начало страницы Перейти в конец страницы
+ Цитировать сообщение
AcID_hac
сообщение 11.3.2013, 14:33
Сообщение #11


Сильно заинтересован
****

Группа: Пользователи
Сообщений: 380
Регистрация: 18.3.2012
Вставить ник Цитата Из: Екатеринбург
Мотоцикл: Хонда XR-250 (Baja) 96 г.в.
KTM SX 350 F 2016 г.в.

Репутация:   10  


Цитата(SuP @ 10.3.2013, 22:09) *
Зря ты это, вообще-то... Япы не дураки

Я понимаю что не дураки, но варить я сам не хотел обратно на раму, да и крепа попилена.
Есть что есть...
Цитата(i-denis @ 10.3.2013, 23:11) *
водопроводная труба??? выкини и купи нормальный руль

Труба, именно "водопроводная" причем самого "галимого качества" такие не на каждых крупных предприятиях ставят в отопительную систему!!!
Лично я ее отломал со старой атомной подводной лодки=)
Сталь марки:04Х18Н10 бесшевная труба стенка 3,5мм

Цитата(Танкист @ 10.3.2013, 23:21) *
Вот защита тобишь: компоненты


Для удобства примерки. Позже когда ставить буду к этому времени выфрезерую из дюраля =)

Цитата(alex_lexx @ 10.3.2013, 23:34) *
По поводу натяжителя цепи: я сталкнулся с проблемой, что пружина протерает "ухо" за которое цепляется и рвет егоЭто другим на заметку!

Кстати ДА, когда изучал вопрос, видел гдето и метод исправления - заварка и шлифовка.


Цитата(Huandi @ 11.3.2013, 1:13) *
Теперь при падении сломается у самого корня?

Нет, сломаеться там-же по середине, ибо сварка самое слабое место... Проверено =))))

Цитата(ikser @ 11.3.2013, 2:02) *
Это в лучшем случае, а может и машинку сломать.

Нет, сломаеться там-же по середине, ибо сварка самое слабое место... Проверено =))))



--------------------
Destroy my self...
Полезно: 0
Вредно: 0
Перейти в начало страницы Перейти в конец страницы
+ Цитировать сообщение
i-denis
сообщение 11.3.2013, 14:46
Сообщение #12


...
*

Группа: Заблокированные
Сообщений: 0
Регистрация: 12.2.2011
Вставить ник Цитата Из: N.Novgorod
Мотоцикл: CRF250X 2005

Репутация:   0  


Цитата(AcID_hac @ 11.3.2013, 15:33) *
Я понимаю что не дураки, но варить я сам не хотел обратно на раму, да и крепа попилена.
Есть что есть...

Труба, именно "водопроводная" причем самого "галимого качества" такие не на каждых крупных предприятиях ставят в отопительную систему!!!
Лично я ее отломал со старой атомной подводной лодки=)
Сталь марки:04Х18Н10 бесшевная труба стенка 3,5мм


ЗАЧЕМ НЕРЖАВЕЙКУ да еще и 3,5мм? Ты бронетранспортер делаешь?

Не что погнул сам - молодец конечно. но неужели в подводной лодке не нашлось алюминиевой трубы, а????
а если вам танк дать? - из брони делать будете?



--------------------
Писать данному пользователю ЛС нет смысла, не ответит. Администрация.
Полезно: 0
Вредно: 0
Перейти в начало страницы Перейти в конец страницы
+ Цитировать сообщение
SuP
сообщение 11.3.2013, 17:57
Сообщение #13


Живёт здесь
*****

Группа: Свои
Сообщений: 1205
Регистрация: 15.12.2011
Вставить ник Цитата Из: Москва
Мотоцикл: Honda PS-250
Такой только у меня и у Майкла Джексона (с)

Репутация:   35  


Цитата(i-denis @ 11.3.2013, 11:46) *
ЗАЧЕМ НЕРЖАВЕЙКУ да еще и 3,5мм? Ты бронетранспортер делаешь?

Гы!
Это демпфер такой! Фара на руле и сам руль из чугуния. Момент инерции как у 3-х метровой оглобли )))))
Правда на козла мопед уже не поставить.... без бронзового багажника )))))

Полезно: 0
Вредно: 0
Перейти в начало страницы Перейти в конец страницы
+ Цитировать сообщение
Mik
сообщение 11.3.2013, 18:13
Сообщение #14


Живёт здесь
*****

Группа: Свои
Сообщений: 2474
Регистрация: 28.4.2012
Вставить ник Цитата Из: Санкт-Петербург. (North)
Мотоцикл: Husqvarna TE 300


Репутация:   64  


Цитата(AcID_hac @ 11.3.2013, 14:33) *
отломал со старой атомной подводной лодки

на горном Урале.
... у сопки пришвартовалась.
а потом от чего то с Дятловским перевалом всякие дела творятся.
у НУ! признавайтесь Уральцы прорыли все же канал до Баренцево моря? А?

Полезно: 0
Вредно: 0
Перейти в начало страницы Перейти в конец страницы
+ Цитировать сообщение
vassa
сообщение 18.3.2013, 12:34
Сообщение #15


Заглянул
*

Группа: Пользователи
Сообщений: 1
Регистрация: 18.3.2013
Вставить ник Цитата Из: Одесса
Мотоцикл:

Репутация:   0  


скажите пожалуйста по пыльникам вилки (те которые от тазика):
как прошла установка их на место учитывая разный диаметр посадочных мест в верхней и нижней точке крепления?

Полезно: 0
Вредно: 0
Перейти в начало страницы Перейти в конец страницы
+ Цитировать сообщение
AcID_hac
сообщение 18.3.2013, 14:21
Сообщение #16


Сильно заинтересован
****

Группа: Пользователи
Сообщений: 380
Регистрация: 18.3.2012
Вставить ник Цитата Из: Екатеринбург
Мотоцикл: Хонда XR-250 (Baja) 96 г.в.
KTM SX 350 F 2016 г.в.

Репутация:   10  


Цитата(vassa @ 18.3.2013, 14:34) *
скажите пожалуйста по пыльникам вилки (те которые от тазика):как прошла установка их на место учитывая разный диаметр посадочных мест в верхней и нижней точке крепления?


Отлично прошла установка, в нижней точке вообще как родная села, вверху просто сильно обжимаеться хомутом с обрахованием складки и все - резина уплотняеться.
Резинку из нутри перед установкой пробрызгал силиконовой смазкой, надел. После закрепления с низу проделал по 2 вент отверстия как на родных и все.



--------------------
Destroy my self...
Полезно: 0
Вредно: 0
Перейти в начало страницы Перейти в конец страницы
+ Цитировать сообщение
jonni baja
сообщение 5.4.2013, 20:49
Сообщение #17


Сильно заинтересован
****

Группа: Эндуристы
Сообщений: 267
Регистрация: 15.3.2013
Вставить ник Цитата Из: Москва
Мотоцикл: Honda QR-50, Honda XLR 250 Baja, Honda XR400R. Honda CRF450X

Репутация:   1  


защиту заднего диска за денюжку сделаете?



--------------------
Все будут ездить на эндуро!
Полезно: 0
Вредно: 0
Перейти в начало страницы Перейти в конец страницы
+ Цитировать сообщение
AcID_hac
сообщение 20.4.2013, 9:04
Сообщение #18


Сильно заинтересован
****

Группа: Пользователи
Сообщений: 380
Регистрация: 18.3.2012
Вставить ник Цитата Из: Екатеринбург
Мотоцикл: Хонда XR-250 (Baja) 96 г.в.
KTM SX 350 F 2016 г.в.

Репутация:   10  


На неделе поставил "водопроводный руль" (для справки, вес родного руля практически один в один с самодельным) смотрится как родной.
Плюс прикрутил защиту только не изготовил второе крепление, нужно что то думать.




--------------------
Destroy my self...
Полезно: 0
Вредно: 0
Перейти в начало страницы Перейти в конец страницы
+ Цитировать сообщение
AcID_hac
сообщение 25.4.2013, 13:15
Сообщение #19


Сильно заинтересован
****

Группа: Пользователи
Сообщений: 380
Регистрация: 18.3.2012
Вставить ник Цитата Из: Екатеринбург
Мотоцикл: Хонда XR-250 (Baja) 96 г.в.
KTM SX 350 F 2016 г.в.

Репутация:   10  


Запилил комплект подножек, ну и раз пошла такая пьянка то параллельно по кондуктору еще пару штук с кидал.


Они чуть чуть шире миллиметров на 5, по весу такие же вроде получились, делал сам, полностью реплика со своих штатных с той лишь разницей что получились шире.
Материал сталь х18н9



--------------------
Destroy my self...
Полезно: 0
Вредно: 0
Перейти в начало страницы Перейти в конец страницы
+ Цитировать сообщение
i-denis
сообщение 25.4.2013, 13:59
Сообщение #20


...
*

Группа: Заблокированные
Сообщений: 0
Регистрация: 12.2.2011
Вставить ник Цитата Из: N.Novgorod
Мотоцикл: CRF250X 2005

Репутация:   0  


Руль отстой, а вот подножки великолепны!!!! Респектsmile.gif



--------------------
Писать данному пользователю ЛС нет смысла, не ответит. Администрация.
Полезно: 0
Вредно: 0
Перейти в начало страницы Перейти в конец страницы
+ Цитировать сообщение
AcID_hac
сообщение 25.4.2013, 18:29
Сообщение #21


Сильно заинтересован
****

Группа: Пользователи
Сообщений: 380
Регистрация: 18.3.2012
Вставить ник Цитата Из: Екатеринбург
Мотоцикл: Хонда XR-250 (Baja) 96 г.в.
KTM SX 350 F 2016 г.в.

Репутация:   10  


Цитата(i-denis @ 25.4.2013, 15:59) *
Руль отстой


Не буду обсуждать этот случай.
Скажу одно, что у меня ипотека и денег нет на нештяки которые я могу сделать сам =)



--------------------
Destroy my self...
Полезно: 0
Вредно: 0
Перейти в начало страницы Перейти в конец страницы
+ Цитировать сообщение
i-denis
сообщение 26.4.2013, 8:50
Сообщение #22


...
*

Группа: Заблокированные
Сообщений: 0
Регистрация: 12.2.2011
Вставить ник Цитата Из: N.Novgorod
Мотоцикл: CRF250X 2005

Репутация:   0  


А я не деньги твои обсждаю - а изделия. нержавейка для руля далеко не идеальный материал, хроммолибден нашел бы хоть что ли



--------------------
Писать данному пользователю ЛС нет смысла, не ответит. Администрация.
Полезно: 0
Вредно: 0
Перейти в начало страницы Перейти в конец страницы
+ Цитировать сообщение
AcID_hac
сообщение 1.5.2013, 16:44
Сообщение #23


Сильно заинтересован
****

Группа: Пользователи
Сообщений: 380
Регистрация: 18.3.2012
Вставить ник Цитата Из: Екатеринбург
Мотоцикл: Хонда XR-250 (Baja) 96 г.в.
KTM SX 350 F 2016 г.в.

Репутация:   10  


Проба нового компа)




--------------------
Destroy my self...
Полезно: 0
Вредно: 0
Перейти в начало страницы Перейти в конец страницы
+ Цитировать сообщение
Raven
сообщение 1.5.2013, 18:54
Сообщение #24


Курю бухашку
******

Группа: Заблокированные
Сообщений: 5274
Регистрация: 8.8.2012
Вставить ник Цитата Из: 77 RUS
Мотоцикл: Бухающая белка

Репутация:   32  


Тормозные шланги сток?

Полезно: 0
Вредно: 0
Перейти в начало страницы Перейти в конец страницы
+ Цитировать сообщение
Сhestar
сообщение 1.5.2013, 19:02
Сообщение #25


Почётный флудер
*******

Группа: Свои
Сообщений: 15713
Регистрация: 18.3.2011
Вставить ник Цитата Из: Пангоды ЯНАО-Часов-Яр Донбасс
Мотоцикл: ТА 700,Djebel XC 250 2003г.

Репутация:   101  


да не играют армированные на чекушке большого значения,чем от них ожидаешь.



--------------------
Якщо людина зовсім не пье, вона або хвора, або падлюка
Полезно: 0
Вредно: 0
Перейти в начало страницы Перейти в конец страницы
+ Цитировать сообщение
i-denis
сообщение 1.5.2013, 20:14
Сообщение #26


...
*

Группа: Заблокированные
Сообщений: 0
Регистрация: 12.2.2011
Вставить ник Цитата Из: N.Novgorod
Мотоцикл: CRF250X 2005

Репутация:   0  


да что ты говоришь......



--------------------
Писать данному пользователю ЛС нет смысла, не ответит. Администрация.
Полезно: 0
Вредно: 0
Перейти в начало страницы Перейти в конец страницы
+ Цитировать сообщение
Сhestar
сообщение 1.5.2013, 20:20
Сообщение #27


Почётный флудер
*******

Группа: Свои
Сообщений: 15713
Регистрация: 18.3.2011
Вставить ник Цитата Из: Пангоды ЯНАО-Часов-Яр Донбасс
Мотоцикл: ТА 700,Djebel XC 250 2003г.

Репутация:   101  


дык скажи иное,только не про кросс



--------------------
Якщо людина зовсім не пье, вона або хвора, або падлюка
Полезно: 0
Вредно: 0
Перейти в начало страницы Перейти в конец страницы
+ Цитировать сообщение
i-denis
сообщение 1.5.2013, 21:54
Сообщение #28


...
*

Группа: Заблокированные
Сообщений: 0
Регистрация: 12.2.2011
Вставить ник Цитата Из: N.Novgorod
Мотоцикл: CRF250X 2005

Репутация:   0  


а что говорить в ответ на глупость?;-)
тех информации полно в сети. сами производители рекомендуют менять тормозные шланги. они, видишь ли, стареют. разницы не будет в одном случае - дохлые мастер цилиндры и закисшие суппорта. я менял шланги, разница заметна и ощутима.



--------------------
Писать данному пользователю ЛС нет смысла, не ответит. Администрация.
Полезно: 0
Вредно: 0
Перейти в начало страницы Перейти в конец страницы
+ Цитировать сообщение
Сhestar
сообщение 1.5.2013, 22:17
Сообщение #29


Почётный флудер
*******

Группа: Свои
Сообщений: 15713
Регистрация: 18.3.2011
Вставить ник Цитата Из: Пангоды ЯНАО-Часов-Яр Донбасс
Мотоцикл: ТА 700,Djebel XC 250 2003г.

Репутация:   101  


балдею,разница от ценника хорошо понятна.
на тяжелом очень заметно,смысла на грязевой чекушке не вижу.
Цитата(i-denis @ 2.5.2013, 0:54) *
а что говорить в ответ на глупость?

не говори



--------------------
Якщо людина зовсім не пье, вона або хвора, або падлюка
Полезно: 0
Вредно: 0
Перейти в начало страницы Перейти в конец страницы
+ Цитировать сообщение
i-denis
сообщение 1.5.2013, 22:26
Сообщение #30


...
*

Группа: Заблокированные
Сообщений: 0
Регистрация: 12.2.2011
Вставить ник Цитата Из: N.Novgorod
Мотоцикл: CRF250X 2005

Репутация:   0  


Очередную глупость решил сказать?
Тормоза это вопрос безопасности, какая разница - грязевая или не грязевая. что это вообще за термин? - совсем на говнах помешались?
К тому же на на 400 точно такие же тормоза, на 600 и 650 суппорта идентичные, размер диска не помню - больше или аналогичный.
По этому имхо ты несешь бред. тормоза должны быть исправны в первую очередь. Если шланги имеют повреждения, дуются - менять однозначно. Если шлангам 15 лет - тоже менять.
Вопрос цены - забавный вопрос, однако владеть подержанным мотоциклом, вообе по сути, не дешево.



--------------------
Писать данному пользователю ЛС нет смысла, не ответит. Администрация.
Полезно: 0
Вредно: 0
Перейти в начало страницы Перейти в конец страницы
+ Цитировать сообщение
AcID_hac
сообщение 2.5.2013, 7:43
Сообщение #31


Сильно заинтересован
****

Группа: Пользователи
Сообщений: 380
Регистрация: 18.3.2012
Вставить ник Цитата Из: Екатеринбург
Мотоцикл: Хонда XR-250 (Baja) 96 г.в.
KTM SX 350 F 2016 г.в.

Репутация:   10  


Цитата(Raven @ 1.5.2013, 20:54) *
Тормозные шланги сток?

Да, абсолютно сток, менять не думаю.

Цитата(i-denis @ 2.5.2013, 0:26) *
Очередную глупость решил сказать?

Вот вам бы все последнее слово вставить, из за видео неумехи устроили обсуждение тормозов как будто меня в космос отправлять собрались.
Мы в глубинке как то не можем себе позволить новые мопеды, новые запы на право и налево покупать. Тормоза меня всем устраивают так как скил езды еще не перерос мопед.

Забыл:
Вчера пригласили на "открытие мото сезона" друзья
Погода подвела приехало всего 5 человек




--------------------
Destroy my self...
Полезно: 0
Вредно: 0
Перейти в начало страницы Перейти в конец страницы
+ Цитировать сообщение
i-denis
сообщение 2.5.2013, 9:07
Сообщение #32


...
*

Группа: Заблокированные
Сообщений: 0
Регистрация: 12.2.2011
Вставить ник Цитата Из: N.Novgorod
Мотоцикл: CRF250X 2005

Репутация:   0  


ты, при желании, своими руками, окупишь и шланги и руль и прочие запчасти



--------------------
Писать данному пользователю ЛС нет смысла, не ответит. Администрация.
Полезно: 0
Вредно: 0
Перейти в начало страницы Перейти в конец страницы
+ Цитировать сообщение
Сhestar
сообщение 2.5.2013, 14:58
Сообщение #33


Почётный флудер
*******

Группа: Свои
Сообщений: 15713
Регистрация: 18.3.2011
Вставить ник Цитата Из: Пангоды ЯНАО-Часов-Яр Донбасс
Мотоцикл: ТА 700,Djebel XC 250 2003г.

Репутация:   101  


Цитата(i-denis @ 2.5.2013, 1:26) *
К тому же на на 400 точно такие же тормоза, на 600 и 650 суппорта идентичные, размер диска не помню - больше или аналогичный.
По этому имхо ты несешь бред. тормоза должны быть исправны в первую очередь. Если шланги имеют повреждения, дуются - менять однозначно. Если шлангам 15 лет - тоже менять.

странный ты чел,вроде профессионал.
кто то говорил про неисправные шланги?
стока на гражданских чекушках за глаза.
Цитата(AcID_hac @ 2.5.2013, 10:43) *
Вот вам бы все последнее слово вставить

ну не удержался.



--------------------
Якщо людина зовсім не пье, вона або хвора, або падлюка
Полезно: 0
Вредно: 0
Перейти в начало страницы Перейти в конец страницы
+ Цитировать сообщение
AcID_hac
сообщение 26.6.2013, 21:35
Сообщение #34


Сильно заинтересован
****

Группа: Пользователи
Сообщений: 380
Регистрация: 18.3.2012
Вставить ник Цитата Из: Екатеринбург
Мотоцикл: Хонда XR-250 (Baja) 96 г.в.
KTM SX 350 F 2016 г.в.

Репутация:   10  


Ну вот выдалось наконец свободное время, добрался до станка и дюраля)
Заколхозил вот такие два "шатуна" как коллеги назвали детали.

Это если кто забыл держатели колхозной защиты ручек тормоза и сцепы.
Вес 64 грамма вместе с крепежом, материал Д16Т



--------------------
Destroy my self...
Полезно: 0
Вредно: 0
Перейти в начало страницы Перейти в конец страницы
+ Цитировать сообщение
Сашкя
сообщение 26.6.2013, 21:53
Сообщение #35


Сильно заинтересован
****

Группа: Эндуристы
Сообщений: 566
Регистрация: 28.1.2012
Вставить ник Цитата Из: г. Воронеж
Мотоцикл: HONDA XLR250 BAJA-2 (R3N) 93 г.в.

Репутация:   18  


Цитата(AcID_hac @ 25.4.2013, 11:15) *
Запилил комплект подножек, ну и раз пошла такая пьянка то параллельно по кондуктору еще пару штук с кидал.

Они чуть чуть шире миллиметров на 5, по весу такие же вроде получились, делал сам, полностью реплика со своих штатных с той лишь разницей что получились шире.
Материал сталь х18н9

Весьма не плохо вышло для самодельного изделия! Я бы даже сказал - ОЧЕНЬ НЕ ПЛОХО!!! good.gif good.gif good.gif
Случаем не продашь парочку? Если бы на Хонду XLR250 подошло - я бы забрал у тебя пару (Л/П), за разумную - назначенную тобой сумму... wink.gif



--------------------
Бабка своей внучке говорит: - "Они на "дявятке" ездють, "Prodigy" слухають!!! Ты к ним в тачкю не садись!..."
Полезно: 0
Вредно: 0
Перейти в начало страницы Перейти в конец страницы
+ Цитировать сообщение
i-denis
сообщение 27.6.2013, 10:46
Сообщение #36


...
*

Группа: Заблокированные
Сообщений: 0
Регистрация: 12.2.2011
Вставить ник Цитата Из: N.Novgorod
Мотоцикл: CRF250X 2005

Репутация:   0  


Они продаются в барахолке - захочешь найдешь там тему. тока по ходу у него гнутый правый кронштейн был, или что то типа того, в общем на других мопедах подножка под углом может встать



--------------------
Писать данному пользователю ЛС нет смысла, не ответит. Администрация.
Полезно: 0
Вредно: 0
Перейти в начало страницы Перейти в конец страницы
+ Цитировать сообщение
AcID_hac
сообщение 29.6.2013, 21:01
Сообщение #37


Сильно заинтересован
****

Группа: Пользователи
Сообщений: 380
Регистрация: 18.3.2012
Вставить ник Цитата Из: Екатеринбург
Мотоцикл: Хонда XR-250 (Baja) 96 г.в.
KTM SX 350 F 2016 г.в.

Репутация:   10  


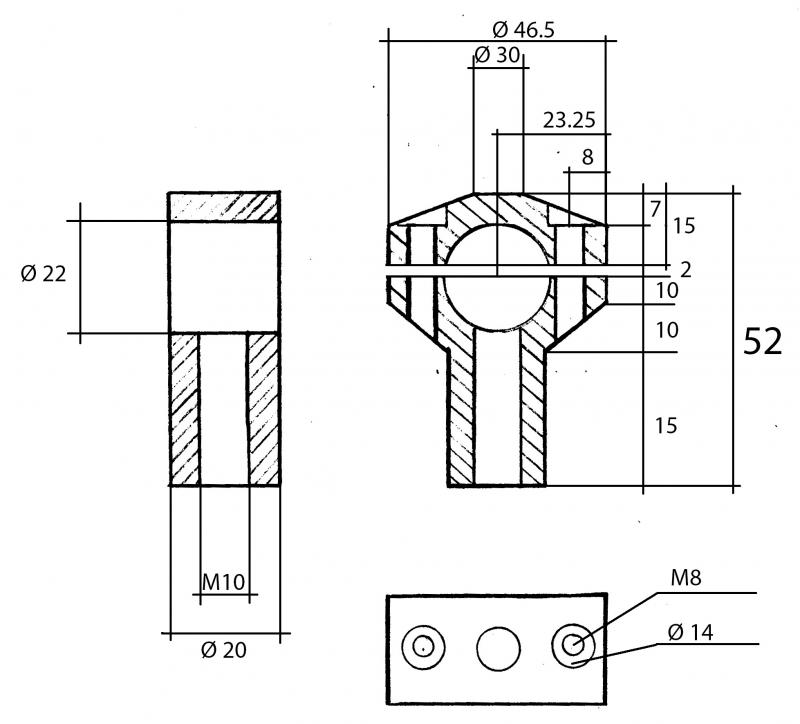
Накидал чертежик для тех кто хочет замутить сам.
Эскизы прикрепленных изображений
Прикрепленное изображение

 




--------------------
Destroy my self...
Полезно: 0
Вредно: 0
Перейти в начало страницы Перейти в конец страницы
+ Цитировать сообщение
Сhestar
сообщение 29.6.2013, 21:09
Сообщение #38


Почётный флудер
*******

Группа: Свои
Сообщений: 15713
Регистрация: 18.3.2011
Вставить ник Цитата Из: Пангоды ЯНАО-Часов-Яр Донбасс
Мотоцикл: ТА 700,Djebel XC 250 2003г.

Репутация:   101  


AcID_hac
может не тут спросил
на той неделе гнул сплав под кредл,ощущение шо титан молочу.
воспаленный ум подсказал,нагрей,нагрел газовой горелкой бытовой,чуть ударил и вдребезги заготовка по сгибу.
шо это было?



--------------------
Якщо людина зовсім не пье, вона або хвора, або падлюка
Полезно: 0
Вредно: 0
Перейти в начало страницы Перейти в конец страницы
+ Цитировать сообщение
AcID_hac
сообщение 29.6.2013, 21:18
Сообщение #39


Сильно заинтересован
****

Группа: Пользователи
Сообщений: 380
Регистрация: 18.3.2012
Вставить ник Цитата Из: Екатеринбург
Мотоцикл: Хонда XR-250 (Baja) 96 г.в.
KTM SX 350 F 2016 г.в.

Репутация:   10  


Мне сложно сказать, у меня первая мысль (на наждак) проверить искру потом на стилоскопирование...



--------------------
Destroy my self...
Полезно: 0
Вредно: 0
Перейти в начало страницы Перейти в конец страницы
+ Цитировать сообщение
Сhestar
сообщение 29.6.2013, 21:26
Сообщение #40


Почётный флудер
*******

Группа: Свои
Сообщений: 15713
Регистрация: 18.3.2011
Вставить ник Цитата Из: Пангоды ЯНАО-Часов-Яр Донбасс
Мотоцикл: ТА 700,Djebel XC 250 2003г.

Репутация:   101  


болгаркой пилил,удивился шо не вяжет,иногда с искрами.
выбросил уже лист,неудобно обрабатывать.

очень легкий,ну с железом соответственно.



--------------------
Якщо людина зовсім не пье, вона або хвора, або падлюка
Полезно: 0
Вредно: 0
Перейти в начало страницы Перейти в конец страницы
+ Цитировать сообщение
AcID_hac
сообщение 2.7.2013, 20:28
Сообщение #41


Сильно заинтересован
****

Группа: Пользователи
Сообщений: 380
Регистрация: 18.3.2012
Вставить ник Цитата Из: Екатеринбург
Мотоцикл: Хонда XR-250 (Baja) 96 г.в.
KTM SX 350 F 2016 г.в.

Репутация:   10  


Сегодня приехав с работы заметил что и ведущая звезда "приехала"...

Так-же по плану были заменены колодки вкруг...
Из за моего упущения, я не стал лесть в тормоза сразу после покупки, приключилось вот что с задними колодками

Со стороны цилиндра источилась в ноль, а с обратной еще много осталось, вскрытие направляющих показало что белая смазка (походу родная) превратилась в липкое говно,
промыл, смазал, собрал, теперь буду надеяться что истирание будет симметричным.
Постивил вот такие колодки, тормозят хуже этих (Фирма ХЗ)




--------------------
Destroy my self...
Полезно: 0
Вредно: 0
Перейти в начало страницы Перейти в конец страницы
+ Цитировать сообщение
serg
сообщение 2.7.2013, 21:01
Сообщение #42


Главный
**********

Группа: Администраторы
Сообщений: 53899
Регистрация: 18.4.2008
Вставить ник Цитата Из: В. Новгород
Мотоцикл: Suzuki Djebel 250 GPSver 98 г., был.

Репутация:   351  


Цитата(AcID_hac @ 2.7.2013, 21:28) *
Постивил вот такие колодки, тормозят хуже этих (Фирма ХЗ)
Классический китайский нонейм. Нормально тормозящих лично я не встречал. Хотя, кто знает, может, и есть такие...




--------------------
Жить надо так, чтобы товарищ майор восхищённо цитировал Сергея Викторовича.
Полезно: 0
Вредно: 0
Перейти в начало страницы Перейти в конец страницы
+ Цитировать сообщение
AcID_hac
сообщение 7.7.2013, 12:07
Сообщение #43


Сильно заинтересован
****

Группа: Пользователи
Сообщений: 380
Регистрация: 18.3.2012
Вставить ник Цитата Из: Екатеринбург
Мотоцикл: Хонда XR-250 (Baja) 96 г.в.
KTM SX 350 F 2016 г.в.

Репутация:   10  


Цитата(serg @ 2.7.2013, 23:01) *
Классический китайский нонейм. Нормально тормозящих лично я не встречал. Хотя, кто знает, может, и есть такие...


Вот колодки вроде притерлись, так намного терпимее стало).

На днях заезжал в гости в магазин DirtMotoShop, купил поролоновый фильтр и пропитку мотыль, так она по субъективным ощущениям раз в 10 липче чем красная от манола.

Я остался доволен.



--------------------
Destroy my self...
Полезно: 0
Вредно: 0
Перейти в начало страницы Перейти в конец страницы
+ Цитировать сообщение
AcID_hac
сообщение 22.7.2013, 20:15
Сообщение #44


Сильно заинтересован
****

Группа: Пользователи
Сообщений: 380
Регистрация: 18.3.2012
Вставить ник Цитата Из: Екатеринбург
Мотоцикл: Хонда XR-250 (Baja) 96 г.в.
KTM SX 350 F 2016 г.в.

Репутация:   10  


Вчера "удачно прокатился"

Итог: отломал бугель со всем навесным, хорошенько помял защиту ручек.

Решил поставить другой свет. Менее габаритный. Какой именно думаю....

З.Ы. Мот на скорости 40 - 50 кмч перевернулся кубарем через переднее колесо, и мордой об пол.



--------------------
Destroy my self...
Полезно: 0
Вредно: 0
Перейти в начало страницы Перейти в конец страницы
+ Цитировать сообщение
AcID_hac
сообщение 25.7.2013, 12:01
Сообщение #45


Сильно заинтересован
****

Группа: Пользователи
Сообщений: 380
Регистрация: 18.3.2012
Вставить ник Цитата Из: Екатеринбург
Мотоцикл: Хонда XR-250 (Baja) 96 г.в.
KTM SX 350 F 2016 г.в.

Репутация:   10  


Думал думал, задолбался думать и заварил то что сломалось и поставил все как есть обратно.

Косяк вылез, в трубку вентиляции поплавковой камеры попала срань (типо глины какойто) забило какие то каналы... на холостых робит все как надо, чуть газу и глохнет, отпускаешь газ все отлично продолжает работать..

Выколупал его промыл продул все. Собрал. Как новый.

Дольше бак с коллектором снимал чем промывал карб...



--------------------
Destroy my self...
Полезно: 0
Вредно: 0
Перейти в начало страницы Перейти в конец страницы
+ Цитировать сообщение
AcID_hac
сообщение 7.8.2013, 13:29
Сообщение #46


Сильно заинтересован
****

Группа: Пользователи
Сообщений: 380
Регистрация: 18.3.2012
Вставить ник Цитата Из: Екатеринбург
Мотоцикл: Хонда XR-250 (Baja) 96 г.в.
KTM SX 350 F 2016 г.в.

Репутация:   10  


С последней покатушки, в гараж приехал с "лесным тюненхом".
Оторвало полностью ловушку цепи.

Подумав немного, решил сколхозить на скорую руку.
Вот что получилось.



Использовано:
лист д16т
4 болта м6 с гайками с пресс шайбой
2 газелевские подушки рессоры
1 электрод

время работы 2 часа.



--------------------
Destroy my self...
Полезно: 0
Вредно: 0
Перейти в начало страницы Перейти в конец страницы
+ Цитировать сообщение
AcID_hac
сообщение 28.8.2013, 20:19
Сообщение #47


Сильно заинтересован
****

Группа: Пользователи
Сообщений: 380
Регистрация: 18.3.2012
Вставить ник Цитата Из: Екатеринбург
Мотоцикл: Хонда XR-250 (Baja) 96 г.в.
KTM SX 350 F 2016 г.в.

Репутация:   10  


Очередное внедрение в мопед "инородного" глушителя.

В вас есть что - от сузуки !)

И так, покупал я мот с прямотоком, все бы нечего, да уши болят от долгих покатух...

Посадочное от него выглядит так

Походив по "помойкам и гаражам", нашел баночку от DRZ-400SM
прикинул - нравиться. Давай ставить.

Сходил в ТАЗа магаз купил от волги трубу.

Отрезал раз,

обил молотком,

заварил,
прикинул,

Отрезал два,
И заварил...

Усе готово... Шев, дело сделано.

Ну и видосик... Но чтот он громкий получился.


Итог: 4 часа времени с перекурами и поболтать с друзьями.
250 р денег на тазо-волго-трубу....

Результатом более чем доволен. Тишина и шелест ДВС.



--------------------
Destroy my self...
Полезно: 0
Вредно: 0
Перейти в начало страницы Перейти в конец страницы
+ Цитировать сообщение
ramirez
сообщение 28.8.2013, 21:26
Сообщение #48


Сильно заинтересован
****

Группа: Эндуристы
Сообщений: 259
Регистрация: 13.3.2013
Вставить ник Цитата Из: кострома
Мотоцикл: Baja 2002

Репутация:   1  


Цитата(AcID_hac @ 28.8.2013, 17:19) *
Походив по помойкам и гаражам, нашел баночку от DRZ-400SM

это ты удачно зашел

Полезно: 0
Вредно: 0
Перейти в начало страницы Перейти в конец страницы
+ Цитировать сообщение
анDrей
сообщение 29.8.2013, 9:04
Сообщение #49


Батюшка
*****

Группа: Свои
Сообщений: 4756
Регистрация: 29.6.2013
Вставить ник Цитата Из: Воронежская обл.
Мотоцикл: ПС, Dr250r 00 г.в.

Репутация:   51  


По такой помоечке можно походить и на целый дрз см насобирать наверно? Где б мне такую найти? unsure.gif



--------------------
Великие приключения происходят от малых причин...
Полезно: 0
Вредно: 0
Перейти в начало страницы Перейти в конец страницы
+ Цитировать сообщение
vinson66
сообщение 29.8.2013, 11:22
Сообщение #50


Живёт здесь
*****

Группа: Свои
Сообщений: 1399
Регистрация: 7.6.2010
Вставить ник Цитата Из: Екатеринбург
Мотоцикл: Honda xr250

Репутация:   41  


А старый глушак остался? Можно его у тебя выкупить?

Полезно: 0
Вредно: 0
Перейти в начало страницы Перейти в конец страницы
+ Цитировать сообщение
AcID_hac
сообщение 29.8.2013, 11:41
Сообщение #51


Сильно заинтересован
****

Группа: Пользователи
Сообщений: 380
Регистрация: 18.3.2012
Вставить ник Цитата Из: Екатеринбург
Мотоцикл: Хонда XR-250 (Baja) 96 г.в.
KTM SX 350 F 2016 г.в.

Репутация:   10  


Остался, на счет выкупить еще не знаю, я его только вчера приварил, надо покатать немного - понаблюдать за конем. Вдруг ему сузучья деталь не понравиться.
А вообще по чем сейчас глушаки - прямоточки?
З.Ы. Я его вскрывал вчера смотрел набивку, вся наместе - но орет он громко.



--------------------
Destroy my self...
Полезно: 0
Вредно: 0
Перейти в начало страницы Перейти в конец страницы
+ Цитировать сообщение
i-denis
сообщение 29.8.2013, 13:32
Сообщение #52


...
*

Группа: Заблокированные
Сообщений: 0
Регистрация: 12.2.2011
Вставить ник Цитата Из: N.Novgorod
Мотоцикл: CRF250X 2005

Репутация:   0  


На фмфовском глуаке написано помоему менять нибивку каждые 30ч что ли или окого того. иначе звук портитьсяsmile.gif



--------------------
Писать данному пользователю ЛС нет смысла, не ответит. Администрация.
Полезно: 0
Вредно: 0
Перейти в начало страницы Перейти в конец страницы
+ Цитировать сообщение
AcID_hac
сообщение 29.8.2013, 15:48
Сообщение #53


Сильно заинтересован
****

Группа: Пользователи
Сообщений: 380
Регистрация: 18.3.2012
Вставить ник Цитата Из: Екатеринбург
Мотоцикл: Хонда XR-250 (Baja) 96 г.в.
KTM SX 350 F 2016 г.в.

Репутация:   10  


Цитата(i-denis @ 29.8.2013, 15:32) *
На фмфовском глуаке написано помоему менять нибивку каждые 30ч что ли или окого того. иначе звук портиться


Может-быть, да хоть каждый час меняют обладатели прямотоков. Я таки избавился от головной боли... причем в прямом смысле слова.

Главное чтобы не чего не вылезло непредусмотренного...



--------------------
Destroy my self...
Полезно: 0
Вредно: 0
Перейти в начало страницы Перейти в конец страницы
+ Цитировать сообщение
AcID_hac
сообщение 2.9.2013, 7:55
Сообщение #54


Сильно заинтересован
****

Группа: Пользователи
Сообщений: 380
Регистрация: 18.3.2012
Вставить ник Цитата Из: Екатеринбург
Мотоцикл: Хонда XR-250 (Baja) 96 г.в.
KTM SX 350 F 2016 г.в.

Репутация:   10  


Замечательно прокатился, отметил начало осени!!!



Обделался легким испугом, залило фильтр-бокс, залило карбюратор.
Слил всю воду, два раза пнул киком и запустился.
Проперделся глушаком, и до дома.
Вот как то так )



--------------------
Destroy my self...
Полезно: 0
Вредно: 0
Перейти в начало страницы Перейти в конец страницы
+ Цитировать сообщение
ZORRO
сообщение 2.9.2013, 10:26
Сообщение #55


Сильно заинтересован
****

Группа: Пользователи
Сообщений: 129
Регистрация: 24.1.2013
Вставить ник Цитата Из: Ленинградская область.
Мотоцикл: Активный пользователь HONDA XLR250 92г.выпуска

Репутация:   7  


Цитата(AcID_hac @ 2.9.2013, 4:55) *
Замечательно прокатился, отметил начало осени!!!

Обделался легким испугом, залило фильтр-бокс, залило карбюратор.
Слил всю воду, два раза пнул киком и запустился.
Проперделся глушаком, и до дома.
Вот как то так )


Не приятный момент,а как ты слил всю воду?ведь,если попало в воздухан,дальше в карбюратор,то полюбасу в впускной коллектор через дроссельную заслонку и далее по списку



--------------------
Таков наш век: слепых ведут безумцы.
Полезно: 0
Вредно: 0
Перейти в начало страницы Перейти в конец страницы
+ Цитировать сообщение
AcID_hac
сообщение 2.9.2013, 10:53
Сообщение #56


Сильно заинтересован
****

Группа: Пользователи
Сообщений: 380
Регистрация: 18.3.2012
Вставить ник Цитата Из: Екатеринбург
Мотоцикл: Хонда XR-250 (Baja) 96 г.в.
KTM SX 350 F 2016 г.в.

Репутация:   10  


Как как. Сначала вытолкал на сушу.
Далее слил с воздухана
Осмотрел сам фильтр с внутренней стороны песка и инородных предметов не обнаружено
поставил на место...

Слил с карба воду...
пару раз бензом пропускал и трес мот...

Движением кика выяснил что мотор крутиться как обычно без изменений - на авось решил что "полного цилиндра воды нет"

Повернул ключ зажигания со второго кика мот запустился без подсоса.. туго поработал пару минут на холостых...

Потом я прогазовался как следует из глушака выпустил фонтаны воды...

То есть минут 5 двиган работал, заглушил посмотрел масло чистое - эмульсии нет.

Перекрестился и погнал домой.

Единственное что доставило проблем, то что пода попавшая в тросики и под грипсу ручки газа сделала невозможным управлять газом.
Пришлось снимать грипсу и крутить с очень большой силой саму пластмассу...

Вот путь пройденный

Так пришлось катить километров 30.




--------------------
Destroy my self...
Полезно: 0
Вредно: 0
Перейти в начало страницы Перейти в конец страницы
+ Цитировать сообщение
AcID_hac
сообщение 14.11.2013, 16:12
Сообщение #57


Сильно заинтересован
****

Группа: Пользователи
Сообщений: 380
Регистрация: 18.3.2012
Вставить ник Цитата Из: Екатеринбург
Мотоцикл: Хонда XR-250 (Baja) 96 г.в.
KTM SX 350 F 2016 г.в.

Репутация:   10  


Теме АП.
Я продаю мот.
Для форума 110 000
А так на местном форуме E1 выставил за 115.



--------------------
Destroy my self...
Полезно: 0
Вредно: 0
Перейти в начало страницы Перейти в конец страницы
+ Цитировать сообщение
AcID_hac
сообщение 22.11.2013, 21:16
Сообщение #58


Сильно заинтересован
****

Группа: Пользователи
Сообщений: 380
Регистрация: 18.3.2012
Вставить ник Цитата Из: Екатеринбург
Мотоцикл: Хонда XR-250 (Baja) 96 г.в.
KTM SX 350 F 2016 г.в.

Репутация:   10  


Ну вот и зима приходит по тихому, скоро переобуваться придется.
Сегодня прокатился без шипов, еще сносно так как снега нет почти




--------------------
Destroy my self...
Полезно: 0
Вредно: 0
Перейти в начало страницы Перейти в конец страницы
+ Цитировать сообщение
Сhestar
сообщение 22.11.2013, 21:32
Сообщение #59


Почётный флудер
*******

Группа: Свои
Сообщений: 15713
Регистрация: 18.3.2011
Вставить ник Цитата Из: Пангоды ЯНАО-Часов-Яр Донбасс
Мотоцикл: ТА 700,Djebel XC 250 2003г.

Репутация:   101  




страшненько на голой,ага? wink.gif



--------------------
Якщо людина зовсім не пье, вона або хвора, або падлюка
Полезно: 0
Вредно: 0
Перейти в начало страницы Перейти в конец страницы
+ Цитировать сообщение
AcID_hac
сообщение 23.11.2013, 15:27
Сообщение #60


Сильно заинтересован
****

Группа: Пользователи
Сообщений: 380
Регистрация: 18.3.2012
Вставить ник Цитата Из: Екатеринбург
Мотоцикл: Хонда XR-250 (Baja) 96 г.в.
KTM SX 350 F 2016 г.в.

Репутация:   10  


Ну так то да, особенно на укатанном снегу,
а так в лесу очень классно.



--------------------
Destroy my self...
Полезно: 0
Вредно: 0
Перейти в начало страницы Перейти в конец страницы
+ Цитировать сообщение
Сhestar
сообщение 23.11.2013, 15:39
Сообщение #61


Почётный флудер
*******

Группа: Свои
Сообщений: 15713
Регистрация: 18.3.2011
Вставить ник Цитата Из: Пангоды ЯНАО-Часов-Яр Донбасс
Мотоцикл: ТА 700,Djebel XC 250 2003г.

Репутация:   101  


biggrin.gif



--------------------
Якщо людина зовсім не пье, вона або хвора, або падлюка
Полезно: 0
Вредно: 0
Перейти в начало страницы Перейти в конец страницы
+ Цитировать сообщение
AcID_hac
сообщение 7.12.2013, 17:50
Сообщение #62


Сильно заинтересован
****

Группа: Пользователи
Сообщений: 380
Регистрация: 18.3.2012
Вставить ник Цитата Из: Екатеринбург
Мотоцикл: Хонда XR-250 (Baja) 96 г.в.
KTM SX 350 F 2016 г.в.

Репутация:   10  


Зашиповалсо



--------------------
Destroy my self...
Полезно: 0
Вредно: 0
Перейти в начало страницы Перейти в конец страницы
+ Цитировать сообщение
Wolakolak
сообщение 7.12.2013, 19:57
Сообщение #63


Живёт здесь
*****

Группа: Свои
Сообщений: 3264
Регистрация: 27.8.2013
Вставить ник Цитата Из: Пушкино
Мотоцикл: Honda XR 250 baja '98' (в разбор ушла) - продолжение следует.

Репутация:   24  


чумааа)))



--------------------

8 903 131 00 88 Руслан
Полезно: 0
Вредно: 0
Перейти в начало страницы Перейти в конец страницы
+ Цитировать сообщение
Putov
сообщение 13.12.2013, 21:52
Сообщение #64


Сильно заинтересован
****

Группа: Эндуристы
Сообщений: 183
Регистрация: 6.6.2011
Вставить ник Цитата Из: Нсб
Мотоцикл: Suzuki

Репутация:   6  


Цитата(AcID_hac @ 7.12.2013, 15:50) *
Зашиповалсо

Прикольно че, поехали катать в сб.
Видал кстати на горках мои следы?



--------------------
En - Эндурий 238
Полезно: 0
Вредно: 0
Перейти в начало страницы Перейти в конец страницы
+ Цитировать сообщение
AcID_hac
сообщение 14.12.2013, 14:50
Сообщение #65


Сильно заинтересован
****

Группа: Пользователи
Сообщений: 380
Регистрация: 18.3.2012
Вставить ник Цитата Из: Екатеринбург
Мотоцикл: Хонда XR-250 (Baja) 96 г.в.
KTM SX 350 F 2016 г.в.

Репутация:   10  


Вот тут нашел видос как шиповался в этом году...




Суммарно ушло часа 4 + потом еще бортировал оба колеса



--------------------
Destroy my self...
Полезно: 0
Вредно: 0
Перейти в начало страницы Перейти в конец страницы
+ Цитировать сообщение
AcID_hac
сообщение 15.12.2013, 17:35
Сообщение #66


Сильно заинтересован
****

Группа: Пользователи
Сообщений: 380
Регистрация: 18.3.2012
Вставить ник Цитата Из: Екатеринбург
Мотоцикл: Хонда XR-250 (Baja) 96 г.в.
KTM SX 350 F 2016 г.в.

Репутация:   10  


Добавил видео



--------------------
Destroy my self...
Полезно: 0
Вредно: 0
Перейти в начало страницы Перейти в конец страницы
+ Цитировать сообщение
antonii
сообщение 27.12.2013, 10:21
Сообщение #67


Сильно заинтересован
****

Группа: Пользователи
Сообщений: 713
Регистрация: 4.12.2013
Вставить ник Цитата Мотоцикл: XR250'02

Репутация:   4  


Как дела с продажей мота?


Полезно: 0
Вредно: 0
Перейти в начало страницы Перейти в конец страницы
+ Цитировать сообщение
AcID_hac
сообщение 28.12.2013, 16:04
Сообщение #68


Сильно заинтересован
****

Группа: Пользователи
Сообщений: 380
Регистрация: 18.3.2012
Вставить ник Цитата Из: Екатеринбург
Мотоцикл: Хонда XR-250 (Baja) 96 г.в.
KTM SX 350 F 2016 г.в.

Репутация:   10  


А ни как, ни разу не звонили.
Я продолжаю км накатывать, мот продолжает меня радовать...

Так что если не продам за 110 то у меня будет два мотоцикла )



--------------------
Destroy my self...
Полезно: 0
Вредно: 0
Перейти в начало страницы Перейти в конец страницы
+ Цитировать сообщение
AcID_hac
сообщение 9.1.2014, 18:48
Сообщение #69


Сильно заинтересован
****

Группа: Пользователи
Сообщений: 380
Регистрация: 18.3.2012
Вставить ник Цитата Из: Екатеринбург
Мотоцикл: Хонда XR-250 (Baja) 96 г.в.
KTM SX 350 F 2016 г.в.

Репутация:   10  


И так в продолжение мото-дневника...

Мопед по ходу узнал что я его выставил на продажу и в срочном порядке обоссался в вилке...

Ну под новый год я решил ему ништяков подкинуть в виде:
1) Нового воздушного фильтра
2) Новых камер в колеса
3) Рим локов на оба колеса
4) Передней звезды
5) Задней звезды
6) Сальниковая цепь D.I.D
7) Сальники в вилку
dirol.gif Пыльники в вилку
9) Бушинги + комплект резинок и стопорные кольца
10) фильтр масляный.

Вопрос знатокам от чего мог произойти такой кариес на сальниках вилки ?




--------------------
Destroy my self...
Полезно: 0
Вредно: 0
Перейти в начало страницы Перейти в конец страницы
+ Цитировать сообщение
SEROWICH
сообщение 10.1.2014, 16:56
Сообщение #70


Ниво-гонщег
*****

Группа: Эндуристы
Сообщений: 1217
Регистрация: 10.4.2013
Вставить ник Цитата Из: 27 RUS Комсомольск-на-Амуре 30км от города
Мотоцикл: Yamaha Serow 225 > Honda XR Baja(|||)W 99г.в(продал) > Ниво > Hiace

Репутация:   16  


У меня на Серове так было, только он в хлам рассыпался.Скорее всего резина была повреждена, либо от старости отстала, а метал под резиной вроде ни чем не покрыт и дальше прогрессирующая ржавчина.



--------------------
Я выезжал на природу всего один раз - когда заснул за рулём.
Полезно: 0
Вредно: 0
Перейти в начало страницы Перейти в конец страницы
+ Цитировать сообщение
AcID_hac
сообщение 10.1.2014, 17:15
Сообщение #71


Сильно заинтересован
****

Группа: Пользователи
Сообщений: 380
Регистрация: 18.3.2012
Вставить ник Цитата Из: Екатеринбург
Мотоцикл: Хонда XR-250 (Baja) 96 г.в.
KTM SX 350 F 2016 г.в.

Репутация:   10  


Сегодня все поменял, и собрал на место.
Завтра покататься поеду. Обещают -2 жара...

На все про все ушло 4 часа.



--------------------
Destroy my self...
Полезно: 0
Вредно: 0
Перейти в начало страницы Перейти в конец страницы
+ Цитировать сообщение
AcID_hac
сообщение 17.1.2014, 20:49
Сообщение #72


Сильно заинтересован
****

Группа: Пользователи
Сообщений: 380
Регистрация: 18.3.2012
Вставить ник Цитата Из: Екатеринбург
Мотоцикл: Хонда XR-250 (Baja) 96 г.в.
KTM SX 350 F 2016 г.в.

Репутация:   10  


Сегодня отлично покатался, все бы нечего да только снег весь мот облепил...

Зы температура масла в раме не подымалась больше 160 фарингейта тоесть около 72 градусов цельсия.



--------------------
Destroy my self...
Полезно: 0
Вредно: 0
Перейти в начало страницы Перейти в конец страницы
+ Цитировать сообщение
Wolakolak
сообщение 17.1.2014, 21:18
Сообщение #73


Живёт здесь
*****

Группа: Свои
Сообщений: 3264
Регистрация: 27.8.2013
Вставить ник Цитата Из: Пушкино
Мотоцикл: Honda XR 250 baja '98' (в разбор ушла) - продолжение следует.

Репутация:   24  


Блин...) офигенно катаешь...



--------------------

8 903 131 00 88 Руслан
Полезно: 0
Вредно: 0
Перейти в начало страницы Перейти в конец страницы
+ Цитировать сообщение
AcID_hac
сообщение 19.1.2014, 16:41
Сообщение #74


Сильно заинтересован
****

Группа: Пользователи
Сообщений: 380
Регистрация: 18.3.2012
Вставить ник Цитата Из: Екатеринбург
Мотоцикл: Хонда XR-250 (Baja) 96 г.в.
KTM SX 350 F 2016 г.в.

Репутация:   10  




И так катаясь в последний раз пропали показания спидометра,
в гараже выяснилось что перегнил и порвался тросик спидометра.

Полное вскрытие тросика показало что кариес поразил не только в одном месте а еще и около шпуньки с прорезью.

Не долго думая, в голову пришла идея хирургического вмешательства...
Поехал в ТАЗо магазин купил там тросик от урала его длинна 1150 мм а родного 820.
Вот такой:

От него отрезана пипка

Далее снимаем с родного фланец с резинкой

Натягиваем его на новую оплетку
Переходим у креплению верхнего конца рубашки.
Сам фланчик имеет 7 мм внутреннего диаметра, но опресовка нам не даст в него воткруться новой рубашкой.

Для этого вставляем сверло 7 мм и гайкой протягиваем его по сверлу.

Готовим оправку под опрессовку новой рубашки, нет не чего гениальнее разрезать гайку на м8.

делаем вот так

в двух диаметрально противоположных плоскостях.

Далее ломаем шпуньку с прорезью

Тупо высверливаем 2,5 мм сверлом старый трос и раздаем отверстие 3мм сверлом
Так же готовим оправку из гайки м6

Вот что получилось

Далее собираем сверху, а снизу перед тем как опрессовывать необходимо отрезать лишнее.
Вуаля


ИТОГ:
Денег - 70 р.
Время - 2 часа.



--------------------
Destroy my self...
Полезно: 0
Вредно: 0
Перейти в начало страницы Перейти в конец страницы
+ Цитировать сообщение
200
сообщение 19.1.2014, 20:06
Сообщение #75


Живёт здесь
*****

Группа: Свои
Сообщений: 1383
Регистрация: 21.4.2010
Вставить ник Цитата Из: Москва
Мотоцикл: DR250 GPS

Репутация:   71  


Цитата(SEROWICH @ 10.1.2014, 13:56) *
У меня на Серове так было, только он в хлам рассыпался.Скорее всего резина была повреждена, либо от старости отстала, а метал под резиной вроде ни чем не покрыт и дальше прогрессирующая ржавчина.



В резине есть сера. При попадании влаги в трещину сера вызывает коррозиюю железа. Тоже самое просходит от старости в покрышках правда их столько лет не пользуют в сайлентблоках разных в подушках двигателя авто. Резина провоцирует ржавление железа в сыром месте.

Полезно: 0
Вредно: 0
Перейти в начало страницы Перейти в конец страницы
+ Цитировать сообщение
antonii
сообщение 21.1.2014, 14:17
Сообщение #76


Сильно заинтересован
****

Группа: Пользователи
Сообщений: 713
Регистрация: 4.12.2013
Вставить ник Цитата Мотоцикл: XR250'02

Репутация:   4  


А чем скрепляли пыльники от ВАЗа девятки между собою?

Полезно: 0
Вредно: 0
Перейти в начало страницы Перейти в конец страницы
+ Цитировать сообщение
AcID_hac
сообщение 21.1.2014, 18:16
Сообщение #77


Сильно заинтересован
****

Группа: Пользователи
Сообщений: 380
Регистрация: 18.3.2012
Вставить ник Цитата Из: Екатеринбург
Мотоцикл: Хонда XR-250 (Baja) 96 г.в.
KTM SX 350 F 2016 г.в.

Репутация:   10  


супер клей из обычного строительного магазина...
Кстати второй год полет нормальный....



--------------------
Destroy my self...
Полезно: 0
Вредно: 0
Перейти в начало страницы Перейти в конец страницы
+ Цитировать сообщение
Вальдемарус
сообщение 24.1.2014, 21:30
Сообщение #78


Заглянул
*

Группа: Пользователи
Сообщений: 8
Регистрация: 25.12.2013
Вставить ник Цитата Из: Красноярск
Мотоцикл: HONDA BAJA , Yamaha Drag- Star

Репутация:   0  


Респект. Руки не из жопы а то что хают по рулю и т.д просто завидует. Мотик не на ретро выставку,а для катало,ломало,чинило.

Полезно: 0
Вредно: 0
Перейти в начало страницы Перейти в конец страницы
+ Цитировать сообщение
antonii
сообщение 19.2.2014, 9:18
Сообщение #79


Сильно заинтересован
****

Группа: Пользователи
Сообщений: 713
Регистрация: 4.12.2013
Вставить ник Цитата Мотоцикл: XR250'02

Репутация:   4  


Скажите, пожалуйста, когда заказывали КИТ от Wiseco, поршень был с кольцами, пальцем и тд? Если колец не было, Вы их на этом же сайте заказывали?

Полезно: 0
Вредно: 0
Перейти в начало страницы Перейти в конец страницы
+ Цитировать сообщение
AcID_hac
сообщение 19.2.2014, 9:45
Сообщение #80


Сильно заинтересован
****

Группа: Пользователи
Сообщений: 380
Регистрация: 18.3.2012
Вставить ник Цитата Из: Екатеринбург
Мотоцикл: Хонда XR-250 (Baja) 96 г.в.
KTM SX 350 F 2016 г.в.

Репутация:   10  


В коробочке есть все для установки
поршень
кольца
стопорные кольца
палец
инструкция



--------------------
Destroy my self...
Полезно: 0
Вредно: 0
Перейти в начало страницы Перейти в конец страницы
+ Цитировать сообщение
antonii
сообщение 21.2.2014, 13:29
Сообщение #81


Сильно заинтересован
****

Группа: Пользователи
Сообщений: 713
Регистрация: 4.12.2013
Вставить ник Цитата Мотоцикл: XR250'02

Репутация:   4  


Доброго дня.
Вы стаыре клапана притирали или собирали без притирки?
В направляющих они не имели люфтов?
Выработка на кромках клапанов была в пределах 2х мм?
После замены поршневой обкатывали как-то по-особенному?
На расточку отдавали цилиндр в комплекте с новым поршнем?
Звезду верхнюю ГРМ меняли по причине большой выработки или за компанию?
Нижнюю звезду не меняли?
Заранее благодарю за ответы.

Полезно: 0
Вредно: 0
Перейти в начало страницы Перейти в конец страницы
+ Цитировать сообщение
AcID_hac
сообщение 21.2.2014, 15:31
Сообщение #82


Сильно заинтересован
****

Группа: Пользователи
Сообщений: 380
Регистрация: 18.3.2012
Вставить ник Цитата Из: Екатеринбург
Мотоцикл: Хонда XR-250 (Baja) 96 г.в.
KTM SX 350 F 2016 г.в.

Репутация:   10  


Цитата(antonii @ 21.2.2014, 15:29) *
Доброго дня.Вы стаыре клапана притирали или собирали без притирки? В направляющих они не имели люфтов? Выработка на кромках клапанов была в пределах 2х мм?После замены поршневой обкатывали как-то по-особенному?На расточку отдавали цилиндр в комплекте с новым поршнем?Звезду верхнюю ГРМ меняли по причине большой выработки или за компанию?Нижнюю звезду не меняли?Заранее благодарю за ответы.

Клапана все оставил старые. Притирал.
Направляющие имели люфт, но так как такого малого нутромера не было, то я доверился мотористу, и тот по своему опыту и "глазомеру" дал добро.
Обкатывал. Залил масло поехал контролируя температуру. через км 50 слил. Залил свежее с фильтром. еще 100 или 200 не помню. Потом еще разок на 500х км. при этот сильно не крутил. ну и как то так накатал 600-700 и забил на обкатку. Так как я не гонщик, и по болотам не катаюсь просто продолжил катать и все. сейчас уже 4 я тыща пошла полет нормальный.
Растачивал да, с поршнем. Но с моим поршнем была инструкция в которой было сказано в какой размер точить дыру. 75,55мм. Так что такой размер и сделали.
Звезда за компанию. Как потом подумалось зря. Так как нижняя не менялась, а она испытывает больший износ, но ее замена для меня встала бы гемором колосальным.

Как то так...



--------------------
Destroy my self...
Полезно: 0
Вредно: 0
Перейти в начало страницы Перейти в конец страницы
+ Цитировать сообщение
antonii
сообщение 22.2.2014, 16:18
Сообщение #83


Сильно заинтересован
****

Группа: Пользователи
Сообщений: 713
Регистрация: 4.12.2013
Вставить ник Цитата Мотоцикл: XR250'02

Репутация:   4  


Благодарю за исчерпывающий ответ!
Вы этот артикул заказывали? 4466M07350? Т.е. точили под первый ремонтный размер с диаметром расточки 75,55? Я все верно понял?

Полезно: 0
Вредно: 0
Перейти в начало страницы Перейти в конец страницы
+ Цитировать сообщение
AcID_hac
сообщение 22.2.2014, 16:30
Сообщение #84


Сильно заинтересован
****

Группа: Пользователи
Сообщений: 380
Регистрация: 18.3.2012
Вставить ник Цитата Из: Екатеринбург
Мотоцикл: Хонда XR-250 (Baja) 96 г.в.
KTM SX 350 F 2016 г.в.

Репутация:   10  


Нет, я когда заказывал то годом ошибся. и заказал от старющего 86 года, а у него в стоке не 73 а 75 мм. А так как я ремонтный заказал то получилось вообще 75,5.
Благо они один в один по остальным размерам...

Я проточил днище поршня вернув ему при этот геометрию японского и поставил...



--------------------
Destroy my self...
Полезно: 0
Вредно: 0
Перейти в начало страницы Перейти в конец страницы
+ Цитировать сообщение
antonii
сообщение 22.2.2014, 18:17
Сообщение #85


Сильно заинтересован
****

Группа: Пользователи
Сообщений: 713
Регистрация: 4.12.2013
Вставить ник Цитата Мотоцикл: XR250'02

Репутация:   4  


Цитата(AcID_hac @ 22.2.2014, 13:30) *
Нет, я когда заказывал то годом ошибся. и заказал от старющего 86 года, а у него в стоке не 73 а 75 мм. А так как я ремонтный заказал то получилось вообще 75,5.
Благо они один в один по остальным размерам...

Я проточил днище поршня вернув ему при этот геометрию японского и поставил...

Ого! А скиньте, плиз, партнамбер Вашего заказанного кита.

Полезно: 0
Вредно: 0
Перейти в начало страницы Перейти в конец страницы
+ Цитировать сообщение
AcID_hac
сообщение 22.2.2014, 18:29
Сообщение #86


Сильно заинтересован
****

Группа: Пользователи
Сообщений: 380
Регистрация: 18.3.2012
Вставить ник Цитата Из: Екатеринбург
Мотоцикл: Хонда XR-250 (Baja) 96 г.в.
KTM SX 350 F 2016 г.в.

Репутация:   10  


http://cgi.ebay.com/ws/eBayISAPI.dll?ViewI...em=360830402693
Вот конкретно этот у этого продавана я покупал.
А зачем этот понадобился, я то ведь по ошибке купил а не специально.



--------------------
Destroy my self...
Полезно: 0
Вредно: 0
Перейти в начало страницы Перейти в конец страницы
+ Цитировать сообщение
antonii
сообщение 24.2.2014, 6:34
Сообщение #87


Сильно заинтересован
****

Группа: Пользователи
Сообщений: 713
Регистрация: 4.12.2013
Вставить ник Цитата Мотоцикл: XR250'02

Репутация:   4  


Цитата(AcID_hac @ 22.2.2014, 15:29) *
http://cgi.ebay.com/ws/eBayISAPI.dll?ViewI...em=360830402693
Вот конкретно этот у этого продавана я покупал.
А зачем этот понадобился, я то ведь по ошибке купил а не специально.

Да просто, чтобы не ошибиться, да и интересно

Полезно: 0
Вредно: 0
Перейти в начало страницы Перейти в конец страницы
+ Цитировать сообщение
antonii
сообщение 25.2.2014, 8:37
Сообщение #88


Сильно заинтересован
****

Группа: Пользователи
Сообщений: 713
Регистрация: 4.12.2013
Вставить ник Цитата Мотоцикл: XR250'02

Репутация:   4  


После замены поршня,бензин льете 92 или 95?

Полезно: 0
Вредно: 0
Перейти в начало страницы Перейти в конец страницы
+ Цитировать сообщение
AcID_hac
сообщение 25.2.2014, 20:03
Сообщение #89


Сильно заинтересован
****

Группа: Пользователи
Сообщений: 380
Регистрация: 18.3.2012
Вставить ник Цитата Из: Екатеринбург
Мотоцикл: Хонда XR-250 (Baja) 96 г.в.
KTM SX 350 F 2016 г.в.

Репутация:   10  


Да 92, как я уже писал выше, я проточил вытеснитель на поршне, вернув ему "японскую" геометрию.






--------------------
Destroy my self...
Полезно: 0
Вредно: 0
Перейти в начало страницы Перейти в конец страницы
+ Цитировать сообщение
AcID_hac
сообщение 28.2.2014, 15:33
Сообщение #90


Сильно заинтересован
****

Группа: Пользователи
Сообщений: 380
Регистрация: 18.3.2012
Вставить ник Цитата Из: Екатеринбург
Мотоцикл: Хонда XR-250 (Baja) 96 г.в.
KTM SX 350 F 2016 г.в.

Репутация:   10  


Только сейчас заметил что в моей теме нет поста про колхоз с датчиком температуры масла в раме.

Вот тот который стоит у меня. Просто резина ампутирована.
http://www.ebay.com/itm/NEW-OIL-TANK-FILL-...%3D120915758130

И так.
Куплен вот такой.

Ободрана резина, и все лишнее ножом.

Выточена пробка


Просверлены отверстия, вуаля =)




--------------------
Destroy my self...
Полезно: 0
Вредно: 0
Перейти в начало страницы Перейти в конец страницы
+ Цитировать сообщение
AcID_hac
сообщение 6.4.2014, 20:29
Сообщение #91


Сильно заинтересован
****

Группа: Пользователи
Сообщений: 380
Регистрация: 18.3.2012
Вставить ник Цитата Из: Екатеринбург
Мотоцикл: Хонда XR-250 (Baja) 96 г.в.
KTM SX 350 F 2016 г.в.

Репутация:   10  


Тут по случаю выточил новые втулки для бензобака...

Размеры:




--------------------
Destroy my self...
Полезно: 0
Вредно: 0
Перейти в начало страницы Перейти в конец страницы
+ Цитировать сообщение
AcID_hac
сообщение 13.4.2014, 14:04
Сообщение #92


Сильно заинтересован
****

Группа: Пользователи
Сообщений: 380
Регистрация: 18.3.2012
Вставить ник Цитата Из: Екатеринбург
Мотоцикл: Хонда XR-250 (Baja) 96 г.в.
KTM SX 350 F 2016 г.в.

Репутация:   10  


Сегодня закончил зимний сезон.
- Переобул резину с шипованой на грязевую.
- Заменил переднюю звезду.
- Заменил заднюю звезду.
- Заменил бессальниковую цепь на сальниковую D.I.D.
- проверил подшипники в колесах.
- заменил смазку в редукторе спидометра.
- заменил моторное масло.
- масляный фильтр.

На сдачу осталось:


!!!ВОПРОС!!!
Правильно ли я понял инструкцию и поставил защелку замка?

З.Ы. Я знаю что тут она не дощелкнута)



--------------------
Destroy my self...
Полезно: 0
Вредно: 0
Перейти в начало страницы Перейти в конец страницы
+ Цитировать сообщение
SEROWICH
сообщение 13.4.2014, 14:47
Сообщение #93


Ниво-гонщег
*****

Группа: Эндуристы
Сообщений: 1217
Регистрация: 10.4.2013
Вставить ник Цитата Из: 27 RUS Комсомольск-на-Амуре 30км от города
Мотоцикл: Yamaha Serow 225 > Honda XR Baja(|||)W 99г.в(продал) > Ниво > Hiace

Репутация:   16  


Вроде правильно, нужно чтоб когда цепь внизу замок не выбило палкой и т.д при вращении цепи.



--------------------
Я выезжал на природу всего один раз - когда заснул за рулём.
Полезно: 0
Вредно: 0
Перейти в начало страницы Перейти в конец страницы
+ Цитировать сообщение
AcID_hac
сообщение 13.4.2014, 15:08
Сообщение #94


Сильно заинтересован
****

Группа: Пользователи
Сообщений: 380
Регистрация: 18.3.2012
Вставить ник Цитата Из: Екатеринбург
Мотоцикл: Хонда XR-250 (Baja) 96 г.в.
KTM SX 350 F 2016 г.в.

Репутация:   10  


Спасибо.
Кстати тот пин который вытолкал из звена напильник не берет!
Надо проверить еще сами перемычки и ролик.



--------------------
Destroy my self...
Полезно: 0
Вредно: 0
Перейти в начало страницы Перейти в конец страницы
+ Цитировать сообщение
astr
сообщение 13.4.2014, 17:17
Сообщение #95


Чебурашка
*****

Группа: Свои
Сообщений: 3255
Регистрация: 26.7.2010
Вставить ник Цитата Из: Обнинск
Мотоцикл: XR250 Баджа-Чебурашка, 650Л

Репутация:   78  


Замок недощёлкнут.

Полезно: 0
Вредно: 0
Перейти в начало страницы Перейти в конец страницы
+ Цитировать сообщение
SEROWICH
сообщение 13.4.2014, 23:02
Сообщение #96


Ниво-гонщег
*****

Группа: Эндуристы
Сообщений: 1217
Регистрация: 10.4.2013
Вставить ник Цитата Из: 27 RUS Комсомольск-на-Амуре 30км от города
Мотоцикл: Yamaha Serow 225 > Honda XR Baja(|||)W 99г.в(продал) > Ниво > Hiace

Репутация:   16  


Цитата(AcID_hac @ 13.4.2014, 22:04) *
З.Ы. Я знаю что тут она не дощелкнута)


Цитата(astr @ 14.4.2014, 1:17) *
Замок недощёлкнут.

Читаем внимательнееsmile.gif



--------------------
Я выезжал на природу всего один раз - когда заснул за рулём.
Полезно: 0
Вредно: 0
Перейти в начало страницы Перейти в конец страницы
+ Цитировать сообщение
AcID_hac
сообщение 15.4.2014, 19:07
Сообщение #97


Сильно заинтересован
****

Группа: Пользователи
Сообщений: 380
Регистрация: 18.3.2012
Вставить ник Цитата Из: Екатеринбург
Мотоцикл: Хонда XR-250 (Baja) 96 г.в.
KTM SX 350 F 2016 г.в.

Репутация:   10  


Сегодня прокатился немного.
За одно поставил новую ловушку цепи.
слайдера в ней из полиуретана (должны быть вечные)




--------------------
Destroy my self...
Полезно: 0
Вредно: 0
Перейти в начало страницы Перейти в конец страницы
+ Цитировать сообщение
AcID_hac
сообщение 19.4.2014, 13:33
Сообщение #98


Сильно заинтересован
****

Группа: Пользователи
Сообщений: 380
Регистрация: 18.3.2012
Вставить ник Цитата Из: Екатеринбург
Мотоцикл: Хонда XR-250 (Baja) 96 г.в.
KTM SX 350 F 2016 г.в.

Репутация:   10  


Ну вот и открытие летнего мотозезона =)




--------------------
Destroy my self...
Полезно: 0
Вредно: 0
Перейти в начало страницы Перейти в конец страницы
+ Цитировать сообщение
Wolakolak
сообщение 19.4.2014, 22:05
Сообщение #99


Живёт здесь
*****

Группа: Свои
Сообщений: 3264
Регистрация: 27.8.2013
Вставить ник Цитата Из: Пушкино
Мотоцикл: Honda XR 250 baja '98' (в разбор ушла) - продолжение следует.

Репутация:   24  


А резина какая стоит ?)



--------------------

8 903 131 00 88 Руслан
Полезно: 0
Вредно: 0
Перейти в начало страницы Перейти в конец страницы
+ Цитировать сообщение
AcID_hac
сообщение 20.4.2014, 7:00
Сообщение #100


Сильно заинтересован
****

Группа: Пользователи
Сообщений: 380
Регистрация: 18.3.2012
Вставить ник Цитата Из: Екатеринбург
Мотоцикл: Хонда XR-250 (Baja) 96 г.в.
KTM SX 350 F 2016 г.в.

Репутация:   10  


кендА трекмастер прошлогодняя.
720 вроде



--------------------
Destroy my self...
Полезно: 0
Вредно: 0
Перейти в начало страницы Перейти в конец страницы
+ Цитировать сообщение

6 страниц V   1 2 3 > » 
Ответить в данную темуНачать новую тему
1 чел. читают эту тему (гостей: 1, скрытых пользователей: 0)
Пользователей: 0

 



RSS Текстовая версия Сейчас: 10.11.2025, 13:06
Яндекс.Метрика