Здравствуйте, гость ( Вход | Регистрация )
26.12.2009, 20:28
Сообщение
#1
|
|
![]() Сильно заинтересован ![]() ![]() ![]() ![]() Группа: Эндуристы Сообщений: 743 Регистрация: 5.8.2008 Вставить ник Цитата Из: Москва ЮАО Мотоцикл: Репутация: 27
|
сегодня пытался завести мопедку и столкнулся со следующей неприятностью.
открыл краник и почувствовал сильный запах бензина .потом смотрю бензин капает откуда то из мотора в районе передней звёздочки, закрою кран перестаёт,снял кожух звезды, смотрю там трубочка живёт она идёт из карба с самого низу .ну думаю это какой то сброс излишков или ещо чего но почему он сразу скидывает .сразу подумалось что где-то что-то залипло а если что-то залипло значит по этому надо звездануть чем нибудь)) так и есть звезданул по карбу теч прекратилась. с карбами я на ВАШЕ ВЕЛИЧЕСТВО потому прошу разъяснить в общих чертах что у меня случилось и почему, спасибо. -------------------- +7(926)161-6О-8О Сергей.
Полезно:
Вредно:
|
|
|
|
![]() |
28.11.2011, 19:54
Сообщение
#2
|
|
![]() Зампотех ![]() ![]() ![]() ![]() ![]() Группа: Свои Сообщений: 3123 Регистрация: 22.5.2008 Вставить ник Цитата Из: Нерезиновая Мотоцикл: DR-z400S Репутация: 31
|
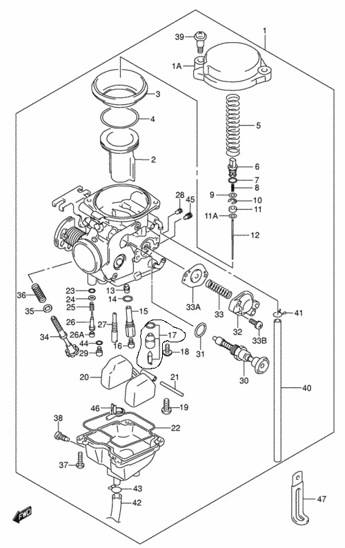
И где же игла?)) пролюбил или потерял))
Прикрепленные изображения
-------------------- Cogito ergo sum
Полезно:
Вредно:
|
|
|
|
serJO Протечка карба. Запорная игла. 26.12.2009, 20:28
shupaltse NULL 26.12.2009, 20:38
Wert NULL 26.12.2009, 20:47
metallizer NULL 26.12.2009, 21:14
Serg696 NULL 26.12.2009, 22:57
serJO NULL 27.12.2009, 11:16
Wert NULL 27.12.2009, 13:54
TumbleR Привет!
Проблема следующая: Djebel 200, 1996г.... 24.4.2011, 19:11
Kopcak Нужно изучить состояние игольчатого клапана. Там и... 24.4.2011, 19:56
motodennis У меня вылетал клапан, где игла. А я 10 раз мудилс... 24.4.2011, 22:30
tourers95 Закис поршень, что находится в нижней крышке карбю... 25.4.2011, 14:26
alexgrey Цитата(tourers95 @ 25.4.2011, 11:26) Заки... 25.4.2011, 15:19
serg Цитата(tourers95 @ 25.4.2011, 15:26) Заки... 25.4.2011, 15:14
DjAga ... А может быть просто повышенный уровень в попла... 25.4.2011, 22:02
Dima_B На днях разбирал карбюратор с целью чистки, регули... 2.5.2011, 7:31
Huandi Цитата(Dima_B @ 2.5.2011, 10:31) Думаю чт... 2.5.2011, 7:43
Dima_B Цитата(Huandi @ 2.5.2011, 7:43) Разбери и... 2.5.2011, 8:15
Huandi Цитата(Dima_B @ 2.5.2011, 11:15) Зачем то... 2.5.2011, 8:23
alexgrey Переверни карб вверх ногами и подуй в шланг , пере... 2.5.2011, 8:34
Huandi Цитата(alexgrey @ 2.5.2011, 11:34) Переве... 2.5.2011, 9:01
Dima_B Цитата(Huandi @ 2.5.2011, 9:23) Чтобы зан... 2.5.2011, 19:40
далекоездячий клапан если будешь искать , смотри от карейских, т... 2.5.2011, 20:55
Dima_B Цитата(далекоездячий @ 2.5.2011, 21:55) к... 3.5.2011, 5:58
alix У меня тоже были проблемы -нашел и инете мастера,о... 15.5.2011, 8:18
serg Телефоны и т.д. лучше в личке, для тех, кому это и... 15.5.2011, 11:55
metallizer была та же проблема на 200-ке, на подножку ставишь... 15.5.2011, 13:50
Dima_B Цитата(metallizer @ 15.5.2011, 13:50) был... 15.5.2011, 17:50
alexgrey Цитата(Dima_B @ 15.5.2011, 14:50) А вобще... 15.5.2011, 18:19
metallizer да какая разница, главное теперь не течет! 15.5.2011, 17:59
Dima_B Цитата(metallizer @ 15.5.2011, 17:59) да... 15.5.2011, 18:02
Dima_B наверное имеется ввиду Архимед
Зако́н Архи... 15.5.2011, 18:11
Huandi Да я почти сразу стер то сообщение 15.5.2011, 18:13
Dima_B хехе я успел спалить 15.5.2011, 18:13
Dima_B Цитата(alexgrey @ 15.5.2011, 19:19) Чем б... 15.5.2011, 18:53
alexgrey Цитата(Dima_B @ 15.5.2011, 15:53) В итоге... 15.5.2011, 19:28
Leksey Игольчатый клапан в сборе стоит 1200 на мегазипе. ... 15.5.2011, 20:01
NIb1332 Друзья подскажите советом!!!
Решил поч... 28.11.2011, 19:04
Kopcak Цитата(NIb1332 @ 28.11.2011, 20:04) Друзь... 28.11.2011, 19:08
NIb1332 Цитата(Kopcak @ 28.11.2011, 16:08) Возмож... 28.11.2011, 19:14
Wert Сними поплавок открутив фиксатор оси...вытащи иглу... 28.11.2011, 19:22
NIb1332 Цитата(Wert @ 28.11.2011, 16:22) Сними по... 28.11.2011, 19:26
Wert чего выкрутил и чего исследуешь, давай по подробне... 28.11.2011, 19:28
NIb1332 Цитата(Wert @ 28.11.2011, 17:28) чего вык... 28.11.2011, 19:40
NIb1332 Цитата(Wert @ 28.11.2011, 17:54) И где же... 28.11.2011, 20:34
Wert Игла условное название, на схеме посмотри, в седле... 28.11.2011, 20:38
NIb1332 Цитата(Wert @ 28.11.2011, 17:38) Игла усл... 28.11.2011, 20:44
Wert по пробуй седло зажать в тиски, только не сильно и... 28.11.2011, 20:59
NIb1332 Цитата(Wert @ 28.11.2011, 17:59) по пробу... 28.11.2011, 21:12
Wert похоже от очистителя в узле кристалы образовались ... 28.11.2011, 21:20
NIb1332 Цитата(Wert @ 28.11.2011, 18:20) похоже о... 28.11.2011, 21:50
Wert Сама игла квадратная, с обратной стороны от резин... 28.11.2011, 21:57
NIb1332 Цитата(Wert @ 28.11.2011, 18:57) Сама игл... 28.11.2011, 22:05
Chili У меня тож от одного очистителя карбюратора, дешев... 28.11.2011, 22:31
Huandi А конусной резиночки (собственно "иглы",... 28.11.2011, 22:02
Wert Игорь, он иглу вытащить из седла не может похоже))... 28.11.2011, 22:05
Wert Цитата(NIb1332 @ 28.11.2011, 23:05) Скоре... 28.11.2011, 22:17
NIb1332 Цитата(Wert @ 28.11.2011, 20:17) Резиночк... 28.11.2011, 22:22
car-bon Предположу вариант с промывкой в горячей воде.
Хуж... 29.11.2011, 1:46
NIb1332 Никогда не используйте этот прекрасный очиститель ... 29.11.2011, 21:06
Chili Цитата(NIb1332 @ 29.11.2011, 22:06) Никог... 29.11.2011, 21:10
serg Всегда пользовался ХайГировским очистителем. Пробл... 30.11.2011, 7:16
NIb1332 Цитата(serg @ 30.11.2011, 5:16) Всегда по... 30.11.2011, 9:02
Huandi Очень хороший это ВЭЛВ (зелено-голубая этикетка). ... 30.11.2011, 7:38
veyngold ой-ой-ой.... недавно имел похожий секас с карбюрат... 30.11.2011, 9:39
serg Судя по всему, надо заказать иглу с корпусом (седл... 30.11.2011, 9:42
car-bon Где-то давно встречал рекомендацию, при повреждени... 30.11.2011, 10:37
NIb1332 Позиция №17 уже заказана в мегазипе, очиститель оп... 30.11.2011, 12:14
NIb1332 Хорошо, что решил почистить карбюратор сейчас, а н... 30.11.2011, 12:21
serg Зато опыт, сын ошибок... 30.11.2011, 12:20
Wert NIb1332
Ты это как придёт новая, старую распили ... 30.11.2011, 12:40
alistair Цитата(Wert @ 30.11.2011, 13:40) NIb1332 ... 30.11.2011, 13:07
NIb1332 Цитата(Wert @ 30.11.2011, 9:40) NIb1332
... 30.11.2011, 13:47
NIb1332 Результаты вскрытия показали.
Игла из корпуса вышл... 4.12.2011, 18:28
Wert Спасибо)))
ЦитатаМожет быть если оставил дней на ... 4.12.2011, 18:34
NIb1332 Урок на будущее)))
Надеюсь люди прочитают и не пов... 4.12.2011, 18:42
Варион Что было? Разъело или что 4.12.2011, 19:35
klr650 Очистителем растворило . Наоборот этот очиститель ... 5.12.2011, 13:01
AlexanderSh А что происходит, если эта игла закисает? Мне вот ... 2.10.2012, 0:31
Pepel_PR Цитата(AlexanderSh @ 2.10.2012, 1:31) А ч... 6.10.2012, 21:34
AlexanderSh Цитата(Pepel_PR @ 6.10.2012, 18:34) У теб... 29.10.2012, 4:10
gorod-agenstv Подскажите пожалуйста,почему бежит бензин из шланг... 21.8.2012, 9:23
serg Игольчатый клапан не держит. Тот, на который давит... 21.8.2012, 9:54
gorod-agenstv Цитата(serg @ 21.8.2012, 6:54) Игольчатый... 22.8.2012, 9:24
serg Цитата(gorod-agenstv @ 22.8.2012, 10... 22.8.2012, 9:56
gorod-agenstv А есть фото как должно все выглядеть.И чем можно е... 22.8.2012, 12:46
serg http://djebel-club.ru/publz/nxsyinyoun/300016-6-1-... 22.8.2012, 13:28
edge Обратитесь в сервис. 22.8.2012, 13:48
gorod-agenstv а чем же тогда????? 22.8.2012, 14:23
serg Ручками. С промывкой бензином. 22.8.2012, 15:00
gorod-agenstv Хорошо попробую!!!!! 22.8.2012, 15:36
Motyl365 В общем тема такая.РАзобрал карбюратор промыл жикл... 29.8.2012, 14:44
serg Смотри игольчатый клапан. Тот, который поплавками ... 29.8.2012, 15:47
serg Цитата(AlexanderSh @ 2.10.2012, 1:31) А ч... 2.10.2012, 9:52
AlexanderSh Цитата(serg @ 2.10.2012, 6:52) Бензин туп... 19.11.2012, 23:25
serg Цитата(AlexanderSh @ 29.10.2012, 5:10) А ... 29.10.2012, 13:04
AlexanderSh Цитата(serg @ 29.10.2012, 10:04) Вот она ... 29.10.2012, 16:22
serg И у вакуумника, и у твоего два троса. У тебя без в... 29.10.2012, 16:51
serg Цитата(AlexanderSh @ 20.11.2012, 0:25) А ... 20.11.2012, 13:19
romanoss Точно такая же беда, снял карбюратор поставил на м... 8.12.2012, 16:46![]() ![]() |
|
Текстовая версия | Сейчас: 8.12.2025, 15:57 |