Здравствуйте, гость ( Вход | Регистрация )
			
			 
                                    11.3.2010, 15:44
                                
			
				 Сообщение
					#1
					
				
			 
		 | 
	|
                ![]() эмси джебел ![]() ![]() ![]() ![]() ![]() ![]() Группа: Модераторы Сообщений: 6302 Регистрация: 26.2.2009 Вставить ник Цитата Из: спб Мотоцикл: 250XC drz-mod Репутация:    130   
        	 | 
            
			
			 так как уже в нескольких темах поднималось обсуждение и появились экспериментаторы, решил объединить их в этой теме. трэд переплетается с темой про доработку карба, но здесь хочется собрать более конкретную инфу в духе "стоковый или раздушенный дрз". так же есть вариант возвращения к стоку у райдера Rem и обсуждалось в ветке про bsr32. в связи с установкой глушителя от дрз250 спрашивается... может ли сказаться на ресурс мотора какая-либо раздушка, в случае если подход был не комплексным (не трогать ни аирбокс/фильтр, ни жиклеры в карбе)? например, какой-нибудь нагар где-нибудь там (ну, вы лучше знаете где)) или что-нибудь ещё. проверить "настроенность" системы позволяет только цвет электродов свечи? и в завершении традиционный номер от меня: характер звучания мотора при раздушке выхлопа может измениться? -------------------- жирный бак, движок в идеале, карб тоже. 
			Полезно:  
                            Вредно:  
                         | 
	
| 
			
			 | 
	|
![]()  | 
	
			
			 
                                    16.10.2012, 1:16
                                
			
				 Сообщение
					#2
					
				
			 
		 | 
	|
                ![]() эмси джебел ![]() ![]() ![]() ![]() ![]() ![]() Группа: Модераторы Сообщений: 6302 Регистрация: 26.2.2009 Вставить ник Цитата Из: спб Мотоцикл: 250XC drz-mod Репутация:    130   
        	 | 
            
			
			 
				предлагаю заняться более интересной штукой, нежели чем хвалиться расходами) 
			требуется запилить джебелевский bsr32 в калифорнийский е33, то есть в сток drz250. какие позиции заказываем?  
				
				
				
                          -------------------- жирный бак, движок в идеале, карб тоже. 
			Полезно:  
                            Вредно:  
                         | 
	
| 
			
			 | 
	|
			
			 
                                    16.10.2012, 12:03
                                
			
				 Сообщение
					#3
					
				
			 
		 | 
	|
                ![]() Велосипедист ![]() ![]() ![]() ![]() ![]() ![]() Группа: Свои Сообщений: 5585 Регистрация: 24.11.2009 Вставить ник Цитата Из: Москва, ЮВАО Мотоцикл: KTM Freeride 250R'15 Репутация:    38   
        	 | 
            
			
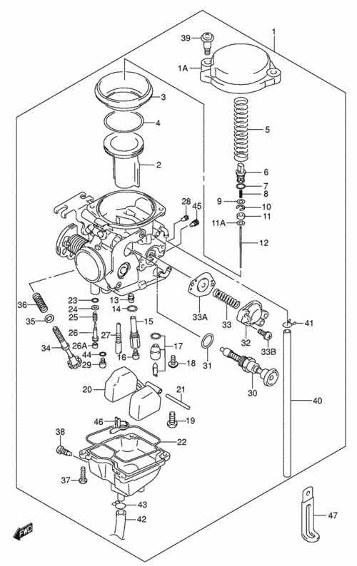
			 предлагаю заняться более интересной штукой, нежели чем хвалиться расходами) требуется запилить джебелевский bsr32 в калифорнийский е33, то есть в сток drz250. какие позиции заказываем? Полностью E33 у тебя не получится кмк. Седло иглы другое. Jet Scheme # DRZ-250 Djebel ========================================================================= POWER #16 132.5 (09491-26019) 122.5 (09491-24023) MAIN #29 55 (09491-55004) 65 (09491-65007) PILOT #27 12.5 (09492-12008) 12.5 (09492-12008) AIR main #28 80 (09492-80007) 150 (09492-30013) AIR idle #45 ?? (09492-30013) (нет на схеме) И еще смотри различия по игле и ее седлу. Сравнивать надо каталог на джебель (японский) и микрофиши по DRZ. IMHO: я бы поменял на TM-28 или TM-33 если так уж приперло тюнить. Вакуумный карб не дает хорошего отклика на ручку. Полезно:  
                            Вредно:  
                         | 
	
| 
			
			 | 
	|
 shupaltse   доработка системы "впуск-выпуск" как у drz250   11.3.2010, 15:44
 
 us   NULL   11.3.2010, 15:50
 
 Mike80   NULL   11.3.2010, 16:49
 
 Wert   NULL   11.3.2010, 16:52
 
 VIT   NULL   11.3.2010, 17:04
 
 us   NULL   11.3.2010, 22:15
 
 VIT   NULL   11.3.2010, 22:49
 
 us   NULL   11.3.2010, 23:12
 
 serg   NULL   11.3.2010, 23:38
 
 VIT   NULL   12.3.2010, 0:50
 
 Serg696   NULL   12.3.2010, 9:20
 
 Mike80   NULL   12.3.2010, 10:27
 
 Serg696   NULL   13.3.2010, 14:21
 
 shupaltse   NULL   13.3.2010, 19:38
 
 VIT   NULL   13.3.2010, 19:46
 
 us   NULL   13.3.2010, 20:56
 
 shupaltse   если выпуск раздушить на уровне стока дрз250, то н...   5.5.2010, 12:58
 
 VIT   Цитата(shupaltse @ 5.5.2010, 12:58) есть ...   5.5.2010, 13:39
 
 Wert   И не только главный, для ВСРа   5.5.2010, 13:45
 
 Huandi   shupaltse а у SD250 все кончились?   5.5.2010, 13:48
 
 Vitaliy   Что такой "ВСР"?
Главный от жигулей - та...   5.5.2010, 15:49
 
 shupaltse   Цитата(Huandi @ 5.5.2010, 14:48) а у SD25...   5.5.2010, 18:18
 
 Huandi   shupaltse поставь тюненые. Всего-то надо дырку на ...   5.5.2010, 18:19
 
 shupaltse   Цитата(Huandi @ 5.5.2010, 19:19) поставь ...   5.5.2010, 18:25
 
 Huandi   Дырка режется наугад, как можно больше - так как ...   5.5.2010, 18:30
 
 shupaltse   Цитата(Huandi @ 5.5.2010, 19:30) Фигня на...   5.5.2010, 18:45
 
 Huandi   Цитата(shupaltse @ 5.5.2010, 21:45) в чём...   5.5.2010, 18:56
 
 VIT   Цитата(shupaltse @ 8.5.2010, 17:17) а 145...   8.5.2010, 16:45
 
 Serg696   Михаил, спасибо, нужная информация, пригодиться.   14.4.2012, 23:42
 
 alistair   Отличия между DRZ и Djebel по жиклерам (BSR-32):
...   23.4.2012, 12:44
 
 Rem   Alistair, Спасибо! Четко и ясно! Где ж ты ...   23.4.2012, 13:08
 
 alistair   Цитата(Rem @ 23.4.2012, 14:08) Alistair, ...   23.4.2012, 13:11
 
 shupaltse   как вы считаете, две трубки-шноркеля эйрбокса от д...   27.5.2012, 12:30
 
 serg   Цитата(shupaltse @ 27.5.2012, 13:30) не п...   27.5.2012, 17:17
 
 Михаил 789   Для чего эта трубка нужна ?
для инерции потока или...   27.5.2012, 19:18
 
 shupaltse   Цитата(serg @ 27.5.2012, 18:17) А у нас е...   28.5.2012, 11:42
 
 serg   Цитата(shupaltse @ 28.5.2012, 12:42) дык ...   28.5.2012, 13:36
 
 shupaltse   Цитата(serg @ 28.5.2012, 14:36) А я спраш...   28.5.2012, 14:26
 
 Leksey   У меня сомнения, что там на фотках именно дрз-фэкт...   28.5.2012, 14:42
 
 Serg696   Цитата(shupaltse @ 28.5.2012, 11:42) в ин...   28.5.2012, 15:40
 
 shupaltse   Цитата(alistair @ 23.4.2012, 13:44) POWER...   30.5.2012, 13:31
 
 shupaltse   окей, ладно)
MJ - Main Jet
JNT - Jet Needle, Tap...   4.6.2012, 19:05
 
 serg   Вася, я бы с удовольствием тебе всё объяснил, но н...   4.6.2012, 20:01
 
 us   Цитата(shupaltse @ 4.6.2012, 20:05) какое...   4.6.2012, 20:15
 
 shupaltse   Цитата(serg @ 4.6.2012, 21:01) Вася, я бы...   4.6.2012, 20:36
 
 Wert   Цитата(shupaltse @ 4.6.2012, 21:36) поход...   4.6.2012, 21:51
 
 shupaltse   Цитата(Wert @ 4.6.2012, 22:51) Ты свой ка...   4.6.2012, 22:12
 
 Wert   Не Вася...не вариант...вариант к тому же Саше подъ...   4.6.2012, 22:16
 
 Rem   Вась, ты прикидывал во сколько он тебе обойдется?
...   4.6.2012, 22:17
 
 Wert   Цитата(Rem @ 4.6.2012, 23:17) А три жикле...   4.6.2012, 22:33
 
 shupaltse   Цитата(Wert @ 4.6.2012, 23:16) что ты хоч...   5.6.2012, 3:29
 
 Wert   Цитата(shupaltse @ 5.6.2012, 4:29) жиклер...   5.6.2012, 22:26
 
 shupaltse   Цитата(Wert @ 5.6.2012, 23:26) эрбокс про...   6.6.2012, 2:35
 
 Huandi   Вася, что именно тебе хочется получить в результат...   7.6.2012, 21:24
 
 shupaltse   Цитата(Huandi @ 7.6.2012, 22:24) Вася, чт...   8.6.2012, 13:59
 
 alistair   Цитата(shupaltse @ 8.6.2012, 14:59) хочу ...   8.6.2012, 14:20
 
 serg   Цитата(shupaltse @ 8.6.2012, 14:59) други...   8.6.2012, 19:58
 
 shupaltse   Цитата(serg @ 8.6.2012, 20:58) Люди с дик...   8.6.2012, 20:07
 
 serg   Цитата(shupaltse @ 8.6.2012, 21:07) и реш...   8.6.2012, 20:19
 
 BUGER   Специально для Васи хочу поделится впечатлением об...   18.6.2012, 23:41
 
 Vitekzu   Вчера пришли жиклеры и игла от ДРЗ250. Игла чуть д...   19.6.2012, 8:15
 
 shupaltse   объединил все мессаги по этой теме в один трэд. ве...   20.6.2012, 21:16
 
 Михаил 789   shupaltse По динамике мот поехал весело, раньше ...   21.6.2012, 0:18
 
 Vitekzu   Вчера покатались с ДРЗтными жиклёрами и иглой (кар...   21.6.2012, 9:19
 
 alistair   Цитата(Vitekzu @ 21.6.2012, 10:19) Вчера ...   21.6.2012, 9:36
 
 Vitekzu   По идее на ДРЗ такая же дыра в аэрбоксе как у Джеб...   21.6.2012, 9:48
 
 Михаил 789   Цитата(Vitekzu @ 21.6.2012, 9:48) По идее...   21.6.2012, 19:58
 
 alistair   Цитата(Михаил 789 @ 21.6.2012, 20:58) у д...   21.6.2012, 21:49
 
 shupaltse   я вообще не понимаю, я не встречал фотографий эирб...   21.6.2012, 20:21
 
 Vitekzu   Цитата(alistair @ 21.6.2012, 22:49) Мнени...   25.6.2012, 15:21
 
 shupaltse   да, это снова я. 
Цитата(shupaltse @ 5.5.201...   14.9.2012, 13:38
 
 Vitekzu   Цитата(shupaltse @ 14.9.2012, 14:38) так ...   14.9.2012, 14:21
 
 shupaltse   Цитата(Vitekzu @ 14.9.2012, 15:21) Потом ...   14.9.2012, 23:54
 
 i-denis   Цитата(shupaltse @ 15.9.2012, 0:54) каков...   15.9.2012, 12:16
 
 Huandi   Цитата(shupaltse @ 15.9.2012, 2:54) без к...   15.9.2012, 8:34
 
 Huandi   Цитата(i-denis @ 15.9.2012, 15:16) Ш...   15.9.2012, 12:37
 
 kuzmich   Цитата(i-denis @ 15.9.2012, 13:16) В...   15.9.2012, 13:16
 
 i-denis   Цитата(kuzmich @ 15.9.2012, 14:16) i-deni...   15.9.2012, 13:28
 
 Chili   Цитата(kuzmich @ 15.9.2012, 14:16) Я коне...   15.9.2012, 13:29
 
 kuzmich   Цитата(i-denis @ 15.9.2012, 14:28) н...   15.9.2012, 13:35
 
 Chili   Цитата(kuzmich @ 15.9.2012, 14:35) Андрей...   15.9.2012, 13:38
 
 kuzmich   Цитата(Chili @ 15.9.2012, 14:38) Это не с...   15.9.2012, 13:49
 
 Huandi   Расход от объема и жиклеров не зависит. При правил...   15.9.2012, 13:41
 
 Huandi   Цитата(kuzmich @ 15.9.2012, 16:49) произв...   15.9.2012, 14:53
 
 Kopcak   На двухсотке я пошел путём замены всех жиклёров и ...   16.10.2012, 9:08
 
 shupaltse   Цитата(alistair @ 16.10.2012, 13:03) IMHO...   16.10.2012, 12:09
 
 alistair   Цитата(shupaltse @ 16.10.2012, 13:09) сед...   16.10.2012, 12:29
 
 Kopcak   Цитата(shupaltse @ 16.10.2012, 13:09) это...   16.10.2012, 12:57
 
 shupaltse   Цитата(alistair @ 16.10.2012, 13:29) Срав...   16.10.2012, 12:35
 
 alistair   Цитата(shupaltse @ 16.10.2012, 13:35) на ...   16.10.2012, 13:02
 
 shupaltse   Цитата(alistair @ 16.10.2012, 14:02) Имен...   16.10.2012, 13:44
 
 alistair   Цитата(shupaltse @ 16.10.2012, 14:44) мен...   16.10.2012, 13:58
 
 serg   Цитата(shupaltse @ 16.10.2012, 14:44) хот...   16.10.2012, 13:51
 
 shupaltse   Цитата(alistair @ 16.10.2012, 14:58) Мне ...   16.10.2012, 14:09
 
 alistair   Цитата(shupaltse @ 16.10.2012, 15:09) как...   16.10.2012, 14:18
 
 shupaltse   традиционно раз в пару месяцев потрясу скелетов в ...   24.12.2012, 12:44![]() ![]()  | 
	
 
  | 
		Текстовая версия | Сейчас: 4.11.2025, 6:51 |