Здравствуйте, гость ( Вход | Регистрация )
7.6.2011, 17:15
Сообщение
#1
|
|
![]() Весьма заинтересован ![]() ![]() ![]() Группа: Эндуристы Сообщений: 61 Регистрация: 4.3.2011 Вставить ник Цитата Из: Yalta Мотоцикл: SuperSherpa Репутация: 1
|
Нет искры! Подскажите алгоритм диагностики и ремонта.
Полезно:
Вредно:
|
|
|
|
![]() |
25.7.2013, 15:33
Сообщение
#2
|
|||
![]() Матёрый джебеловод ![]() ![]() ![]() ![]() ![]() ![]() Группа: Свои Сообщений: 5606 Регистрация: 8.8.2010 Вставить ник Цитата Мотоцикл: Продан. Репутация: 143
|
Да lewa и сам не помнит, что это за коммут был. Возможно, это и не от 2-х тактника даже. Он не сам ставил, ему помогали. Вот фото его коммутаторов, с его слов ( в Л/С переписывались) на обоих едет, только один тяговый, другой скоростной.
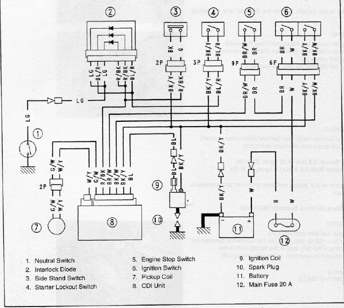
А вот фото подключения, ИМХО, немного неправильно провод соеденены.Черный с желтой полосой- это и есть главная масса, его надо было в нижний ряд по центру, а не красно- черный. Красно-черный и черно-белый- это типа от глушилок, хотя на них масса есть. Справа по вертикали два провода от индукционного датчика, почему соединен с массой черной перемычкой верхний зелено-белый не понимаю, нижний правый тоже с массой соединен внутри коммута,тайна великая, как все это работает?Тм более, что на зелено-белом дожен + от коммута быть: А вот схема зажигания Шерпы. Может кто-нибудь из специалистов предложить , чем заменить родной коммут( нигде не могу найти б/у, ноый ок 12000 р, на пределе возможностей, и то в конце лета)
-------------------- Мои видео по Джебелю-200 ( обслуживание и пр) здесь: ССЫЛКА.
Полезно:
Вредно:
|
||
|
|
|||
lewa Коммутатор Шерпы, неисправности и замена на аналоги 7.6.2011, 17:15
romka059 Нет икры? хм...
А если серьезно, начинай с прос... 8.6.2011, 21:37
[sg] нет контакта, или ремень ослаб (с)
у меня тут ц... 8.6.2011, 22:43
lewa История такова - мотоцикл рабртал нормально. Потом... 9.6.2011, 19:13
serg Где-то на массу коротит. А из-за этого что угодно ... 9.6.2011, 19:18
DjAga Мдя... Серж прав - могло сгореть что угодно, в т.ч... 9.6.2011, 19:42
mika10ru КЗ может быть в регуляторе напряжения. Был такой п... 9.6.2011, 21:40
lewa Причиной отсутствия искры оказалась банальная смер... 28.6.2011, 19:52
iddigital Цитата(lewa @ 29.6.2011, 3:52) поставили ... 24.7.2013, 17:09
200 Цитата(lewa @ 28.6.2011, 16:52) Причиной ... 23.4.2014, 20:23
Rubanok Цитата(200 @ 23.4.2014, 17:23) Дорогой Ле... 24.4.2014, 18:57
skorp777 Нужна помощь в диагностике коммутатора. Больше дум... 16.7.2013, 14:37
stscat Цитата(skorp777 @ 16.7.2013, 11:37) Я сво... 30.7.2013, 9:08
i-denis А где ты взял кавасаки ханд тестер????????? 17.7.2013, 8:25
iddigital Андрей если нужно приезжай до меня, я пока что в о... 17.7.2013, 9:03
skorp777 Цитата(i-denis @ 17.7.2013, 15:25) А... 17.7.2013, 13:43
iddigital можно конечно, катушку генератора? 18.7.2013, 10:41
eger Если правильно понял, проблема в том, что на ХХ ра... 18.7.2013, 11:09
Костян А как ведет себя мотор при открытии газа на больши... 18.7.2013, 15:20
skorp777 Цитата(eger @ 18.7.2013, 18:09) Если прав... 20.7.2013, 14:21
skorp777 Итак, начинаю подробный рассказ о попытках внедрит... 24.7.2013, 16:10
Костян Может стоит посмотреть схемы зажигания 4х тактных ... 24.7.2013, 16:42
skorp777 Цитата(Костян @ 24.7.2013, 23:42) Сейчас ... 24.7.2013, 16:50
Костян Цитата(skorp777 @ 24.7.2013, 13:50) Где с... 28.7.2013, 0:31
vinson66 У меня если что есть коммутатор от хрки и от 200ки... 25.7.2013, 19:59
skorp777 vinson66 ,спасибо! Но насколько я разбираюсь в... 26.7.2013, 9:17
lewa если надо, могу глянуть как у меня подключено, пот... 27.7.2013, 18:32
lewa На скаймото драконе 200 комм с опережением зажиган... 28.7.2013, 0:48
skorp777 Цитата(Костян @ 28.7.2013, 7:31) У нас он... 28.7.2013, 14:51
Костян Я допустил неточность - на скаймото дракон (+) пос... 29.7.2013, 13:30
skorp777 Цитата(Костян @ 29.7.2013, 20:30) На ибее... 29.7.2013, 14:05
kdenisv2007 Родной дешевле не найти. 300$ + 50$ за п... 29.7.2013, 18:07
Костян Да действительно, сейчас смотрели- новый самый деш... 29.7.2013, 18:50
lewa Skorp777 ты ж в Находке живешь, там через пролив ... 29.7.2013, 19:31
skorp777 Цитата(lewa @ 30.7.2013, 2:31) Skorp777 т... 30.7.2013, 3:06
skorp777 stscat ,если я ставил другие коммутатторы, и с ним... 30.7.2013, 10:00
stscat Цитата(skorp777 @ 30.7.2013, 7:00) назови... 30.7.2013, 10:03
skorp777 Цитата(stscat @ 30.7.2013, 16:08) Может и... 30.7.2013, 10:22
stscat Цитата(skorp777 @ 30.7.2013, 7:18) Сигна... 30.7.2013, 10:25
skorp777 Цитата(stscat @ 30.7.2013, 17:03) можно к... 30.7.2013, 10:29
stscat Цитата(skorp777 @ 30.7.2013, 7:29) Я же п... 30.7.2013, 10:35
skorp777 Ух ты! Это что-аукцион, или магаз? Я на яху гл... 30.7.2013, 10:53
stscat Цитата(skorp777 @ 30.7.2013, 7:53) Ух ты... 30.7.2013, 11:41
iddigital Андрей, я вот тут хотел спросить а не забился ли д... 30.7.2013, 12:33
lewa https://www.youtube.com/watch?v=53PuAQoJmKI...eatu... 30.7.2013, 13:30
skorp777 Цитата(skorp777 @ 20.7.2013, 21:21) А сег... 1.8.2013, 14:58
200 Зазор между датчиком и выступом ротора уменьши. Шп... 2.8.2013, 16:48
skorp777 Цитата(200 @ 2.8.2013, 23:48) И мог бы пр... 3.8.2013, 8:19
stscat Цитата(skorp777 @ 3.8.2013, 5:19) По сове... 4.8.2013, 7:36
200 Домашняя хирургия внутренних органов. Вместо диагн... 3.8.2013, 9:49
skorp777 Цитата(200 @ 3.8.2013, 16:49) Свеча, кату... 4.8.2013, 0:44
skorp777 Цитата(stscat @ 4.8.2013, 14:36) Судя по ... 5.8.2013, 4:14
stscat Если электролиты действительно были дохлые, вероят... 5.8.2013, 5:34
skorp777 А результат отрицательный.Вернее-нулевой, перемен ... 5.8.2013, 13:56
stscat Цитата(skorp777 @ 5.8.2013, 10:56) iddigi... 5.8.2013, 14:51
skorp777 Цитата(stscat @ 5.8.2013, 21:51) Имея два... 5.8.2013, 14:56
stscat Цитата(skorp777 @ 5.8.2013, 11:56) НЕТУ з... 5.8.2013, 14:58
skorp777 Цитата(stscat @ 5.8.2013, 21:51) Да, тяже... 5.8.2013, 15:00
stscat Цитата(skorp777 @ 5.8.2013, 12:00) На дор... 5.8.2013, 15:08
iddigital Есть осциллограф, есть знающий человек, мой родств... 5.8.2013, 15:26
skorp777 Ну, всех приглашаю поглумиться. Пиво и попкорн об... 17.10.2013, 17:13
kdenisv2007 Цитата(skorp777 @ 17.10.2013, 15:13) ...
... 17.10.2013, 18:36
Rubanok Цитата(skorp777 @ 17.10.2013, 14:13) Ну, ... 10.2.2014, 13:28
skorp777 Цитата(kdenisv2007 @ 18.10.2013, 1:36) Но... 18.10.2013, 3:34
Костян А как поступил с комутатором? Родной то уже расков... 15.11.2013, 17:03
skorp777 Дык, расковырял компаунд, но детальки-то целые. По... 16.11.2013, 12:37
skorp777 Цитата(Rubanok @ 10.2.2014, 21:28) а заты... 27.3.2014, 5:12
200 Посмотрите сначала на электросхему. А в схемее пос... 24.4.2014, 22:40
Костян Очень интересно разобраться в работе комутатора. З... 25.4.2014, 10:33
200 Дело в следующем. Два "бессмысленных" ко... 25.4.2014, 10:48
skorp777 Цитата(200 @ 25.4.2014, 18:48) Здесь я об... 25.4.2014, 11:48
200 Смотри, какое дело. Как работает тестер-мультиметр... 25.4.2014, 12:29
skorp777 Сходил, померил: да, напряжение между контактами 2... 25.4.2014, 15:33
200 Цитата(skorp777 @ 25.4.2014, 12:33) Сходи... 25.4.2014, 20:33
otradnez насчет хитрости в замке зажигания очень полезная и... 25.4.2014, 21:19
200 Дружеская встреча клапанов с поршнем вполне может ... 25.4.2014, 22:02
Rubanok Цитата(200 @ 25.4.2014, 19:02) Дружеская ... 26.4.2014, 8:16
200 http://www.drive2.ru/b/4899916394579187774/
Это о ... 26.4.2014, 9:34
skorp777 Купил 830-й мультиметр, проверил его на паре резис... 26.4.2014, 14:32
200 Коммутатор принесли поскольку не было искры, а все... 26.4.2014, 20:03
skorp777 Цитата(200 @ 26.4.2014, 4:33) 5. Красноче... 1.5.2014, 15:46
200 Диапазон напряжений в том коммутаторе что я тестир... 1.5.2014, 22:11
skorp777 Перемерил. В замке зажигания скорее всего, обычный... 3.5.2014, 14:04
200 Осталось дождаться разобраннго замка и фото тарака... 4.5.2014, 21:22
skorp777 200 , ты эта, того... осторожнее мечтай, мечты ран... 5.5.2014, 13:01
Костян Я вот тоже на своем мерял, вышло 100ом в обе сторо... 5.5.2014, 15:33
skorp777 Вот не дает покоя Шерповский коммут её владельцам ... 13.1.2015, 3:14
Костян А может быть такое что сигнализация подключена в р... 13.1.2015, 10:37
skorp777 Я несколько коммутов от скутеров 2Т ставил, или не... 14.1.2015, 2:32
skorp777 Еще один звонок был, парни не могли завести Шерпу ... 6.4.2015, 15:06![]() ![]() |
|
Текстовая версия | Сейчас: 20.12.2025, 12:05 |