Здравствуйте, гость ( Вход | Регистрация )
14.3.2016, 12:18
Сообщение
#1
|
||
![]() ушёл из жизни ![]() ![]() ![]() ![]() Группа: Эндуристы Сообщений: 538 Регистрация: 19.10.2009 Вставить ник Цитата Из: Новороссийск Мотоцикл: CRF250L ̶X̶R̶2̶5̶0̶ ̶К̶Т̶M̶6̶9̶0̶E̶ Репутация: 11
|
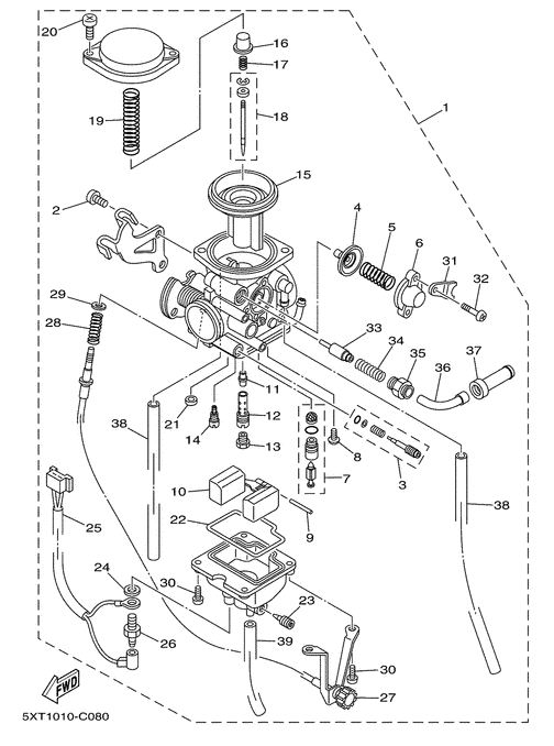
Обнаружил у своего Серого в электросхеме реле, которое включает фару только после запуска двигателя, но не могу его найти в фишах на мегазипе. Интересует из любопытства (на самом деле ищу где лучше врезать обогрев ручек
Полезно:
Вредно:
|
|
|
|
||
ЧИП электросхема Серов 14.3.2016, 12:18
slipeer Здесь http://www.angelfire.com/sports/serowpages/c... 21.3.2016, 9:17
ЧИП Цитата(slipeer @ 21.3.2016, 10:17) Здесь ... 21.3.2016, 11:40
sandro437 Цитата(slipeer @ 21.3.2016, 6:17) Здесь h... 21.6.2018, 8:11
slipeer Цитата(ЧИП @ 21.3.2016, 8:40) Подозреваю ... 21.3.2016, 11:57
ЧИП Ха ха, я тут долго изучал сайт xt225.com, там част... 21.3.2016, 17:09
slipeer Меня вот интересует назначение вот этого геркона:
... 23.3.2016, 9:16
dimag Цитата(slipeer @ 23.3.2016, 11:16) Меня в... 23.3.2016, 9:23
slipeer dimag, у меня мот куплен с приборкой daytona (суро... 23.3.2016, 9:42
ЧИП Нафиг геркон, если мот без него ездит?
Хотя дей... 23.3.2016, 10:16
200 ***** 23.3.2016, 20:07
slipeer Цитата(ЧИП @ 23.3.2016, 7:16) Вероятно сх... 23.3.2016, 11:09
ЧИП Цитата(slipeer @ 23.3.2016, 12:09) Электи... 23.3.2016, 13:36
Jane Цитата(ЧИП @ 23.3.2016, 10:16) Вероятно с... 23.3.2016, 12:48
Jane Костя, спасибо, что отозвался) 23.3.2016, 22:15
slipeer Цитата(200 @ 23.3.2016, 17:07) опережение... 24.3.2016, 9:26
200 Цитата(slipeer @ 24.3.2016, 6:26) Ну зажи... 24.3.2016, 21:28
ЧИП Цитата(200 @ 24.3.2016, 22:28) "Нико... 25.3.2016, 21:10
ЧИП Думаю нет смысла гадать над японскими тайнами...
Ж... 24.3.2016, 11:38
NEO85 Может кому пригодится схема с электростартером ста... 7.5.2016, 18:26
ЧИП Последнюю неделю сезона ездил с потухшей фарой, не... 9.12.2016, 13:13
Vitalermon.79 Вот, при установке сигналки подразобрался со схемо... 6.7.2020, 15:00
slipeer Цитата(Vitalermon.79 @ 6.7.2020, 15:00) А... 10.7.2020, 10:50
Vitalermon.79 Цитата(slipeer @ 10.7.2020, 7:50) Блин а ... 8.8.2021, 16:06
grinux Цитата(Vitalermon.79 @ 8.8.2021, 16:06) С... 14.4.2025, 21:01![]() ![]() |
|
Текстовая версия | Сейчас: 5.2.2026, 16:33 |