Здравствуйте, гость ( Вход | Регистрация )
29.5.2017, 16:51
Сообщение
#26
|
|
|
Сильно заинтересован ![]() ![]() ![]() ![]() Группа: Заблокированные Сообщений: 103 Регистрация: 11.9.2015 Вставить ник Цитата Из: Москва Мотоцикл: ИЖ ПС с двигателем DR650 Репутация: 0
|
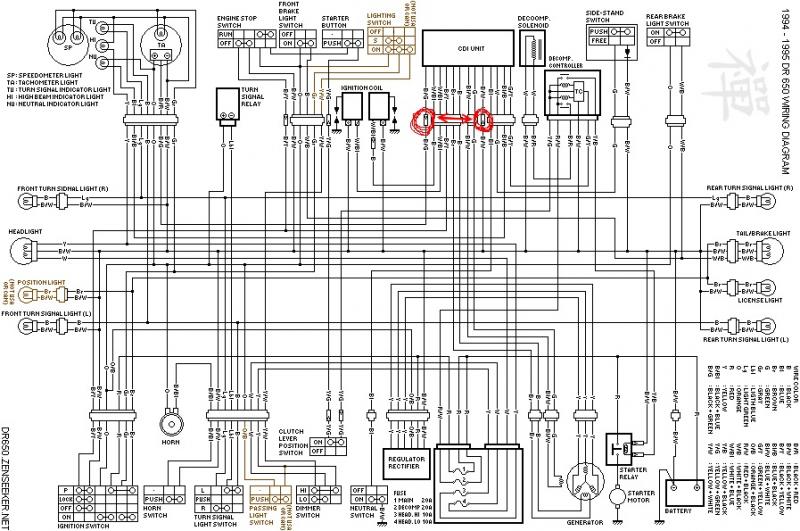
Парни помогите найти схему проводки на Suzuki DR650SE. Разбирал мот молностью, снимал все жгуты, всё снимал. После сборки пропало питание бабин. Стартёр крутит, всё горит, всё включается, кроме зажигания. Искры нет на обих бабинах. Мне б схему, отследить откуда идёт + на бабины. Где я его мог потерять?
-------------------- Говорю как есть - понимай как хочешь
Полезно:
Вредно:
|
|
|
|
OFPmaniak Схема электропроводки Suzuki DR650SE 29.5.2017, 16:51
kserv CDI подает +12 вольт на 2 управляющих провода W/BL... 1.6.2017, 12:33
isharygin Цитата(kserv @ 1.6.2017, 9:33) CDI подает... 1.6.2017, 12:46
Ваня Табакович У меня тоже не йдьот ток на бабину что может бить? 19.2.2022, 18:37
kserv Легко!
В CDI приходит от АКБ +12 вольт? Да пр... 1.6.2017, 12:54
isharygin Цитата(kserv @ 1.6.2017, 9:54) Легко... 1.6.2017, 12:57
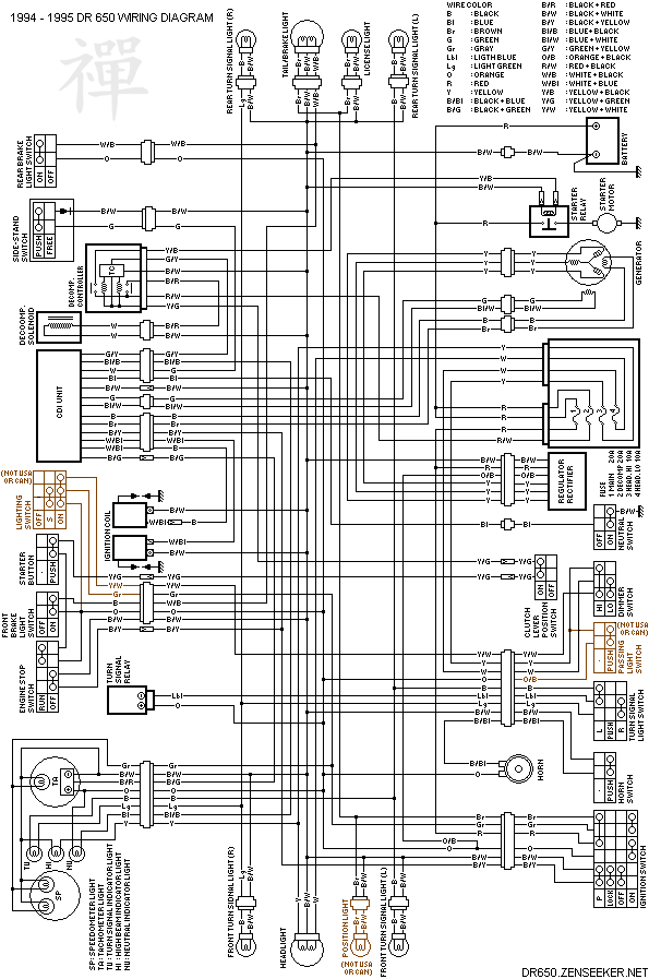
kserv Я смотрю в эту схему http://dr650.zenseeker.net/... 1.6.2017, 13:34
OFPmaniak Цитата(kserv @ 1.6.2017, 10:34) Я смотрю ... 1.6.2017, 15:13

isharygin Цитата(OFPmaniak @ 1.6.2017, 12:13) Я пош... 1.6.2017, 15:48

OFPmaniak Цитата(isharygin @ 1.6.2017, 12:48) Ну во... 1.6.2017, 16:40

isharygin Цитата(OFPmaniak @ 1.6.2017, 13:40) Опять... 1.6.2017, 16:53
povarpovar Цитата(kserv @ 1.6.2017, 10:34) Я смотрю ... 22.3.2020, 19:14
kserv Мы так уже чинили Доминатор один, ну починили все ... 1.6.2017, 16:31
OFPmaniak Цитата(kserv @ 1.6.2017, 13:31) Настоящий... 1.6.2017, 16:46
Huandi Цитата(OFPmaniak @ 1.6.2017, 17:13) В общ... 1.6.2017, 16:33
Huandi Цитата(OFPmaniak @ 1.6.2017, 18:40) Прошу... 1.6.2017, 16:44
Huandi Цитата(OFPmaniak @ 1.6.2017, 18:46) Фильт... 1.6.2017, 16:49
OFPmaniak Цитата(Huandi @ 1.6.2017, 13:49) С такими... 1.6.2017, 16:58
isharygin ЦитатаЛюбиш логику??? И сам же спрашиваешь не инже... 1.6.2017, 17:06
OFPmaniak Цитата(isharygin @ 1.6.2017, 14:06) пффф
... 1.6.2017, 17:14
isharygin Цитата(OFPmaniak @ 1.6.2017, 14:14) Ну зд... 1.6.2017, 17:17
Huandi Цитата(OFPmaniak @ 1.6.2017, 18:58) А вот... 1.6.2017, 17:13
OFPmaniak Цитата(Huandi @ 1.6.2017, 14:13) Я не зна... 1.6.2017, 17:20
Huandi Цитата(OFPmaniak @ 1.6.2017, 19:19) Не, а... 1.6.2017, 17:22
OFPmaniak Цитата(Huandi @ 1.6.2017, 14:22) От ... 1.6.2017, 17:28
Huandi Цитата(OFPmaniak @ 1.6.2017, 19:28) А кап... 1.6.2017, 17:29
OFPmaniak Цитата(Huandi @ 1.6.2017, 14:29) Дыхание ... 1.6.2017, 17:34
Huandi Цитата(OFPmaniak @ 1.6.2017, 19:34) оесть... 1.6.2017, 17:40
OFPmaniak Цитата(Huandi @ 1.6.2017, 14:37) Легко - ... 1.6.2017, 17:40
isharygin Цитата(Huandi @ 1.6.2017, 14:37) Легко - ... 1.6.2017, 17:42
OFPmaniak Цитата(isharygin @ 1.6.2017, 14:42) Прико... 1.6.2017, 17:50
Huandi Цитата(isharygin @ 1.6.2017, 19:42) Надо ... 1.6.2017, 17:45![]() ![]() |
|
Текстовая версия | Сейчас: 22.12.2025, 20:04 |