Здравствуйте, гость ( Вход | Регистрация )
26.7.2017, 19:54
Сообщение
#1
|
|
![]() Живёт здесь ![]() ![]() ![]() ![]() ![]() Группа: Свои Сообщений: 1048 Регистрация: 7.12.2011 Вставить ник Цитата Из: Новосибирск столица Сибири Мотоцикл: Джеб 250, Джеб 200, Ямаха PW80 и другие ... Репутация: 9
|
В общем проблема в том, что я не могу завести мотоцикл, уже даже не знаю может чего ещё купить
Пред история такова, решил супруге мотик собрать и как-то так всё в руку сложилось, что выбор пал на 200 и не просто готовый аппарат, а конструктор мот 2001г, донор 95г в общем я перебрал весь мот собрал всё и делал это не ака бы, а всё по книжке и даже момент и тот с динамкой крутил... радости не было предела когда я первый раз его завел. после осмотревшись, поразмышлявши пару дней решил сделать все как было с завода, т.е. чтобы мот был не сборной солянкой, а таким как обычно сходит с конвейера и решил поставить проводку от 2001г т.е. родную которая на нем и была, но вот одно но нету коммутатора, ну думаю не проблема пока так поезжу, а потом найду. Через три недели приезжает коммутатор от не безизвестного здесь Тимофея(спасибо ему большое)! Ну думаю, надо всё собирать и нет чтобы проверить всё на соплях лежащих на моте калачиком, я всю проводку проложил закрепил где нужно хомутиками родными, благо у меня их теперь много. Всё последний болтик на боковом пластике закручиваю и думаю ща покатаюсь угу. пытался заводить я его до тех пока акум не высадил, хоть кик и есть, но я ещё лапку все никак не поставлю. Позвонил Тимофею, он сказал проверить РР, гену и подачу на мозги. поехали РР и бац он сдохший пока проверяю все по списку всё гут, а именно накидываю проводку с 95 и проверяю генератор пробой на корпус меж витковое сопротивление и прочее... забрал РР и бегом в гараж и на те не хочет ни в какую, думаю реле блокировки поставил с той проводки, не то. на следующий день, начал потрошить проводку добрался до оси рама/траверс,все в порядке и намека на замученные провода, каждый проводок пальчиками прощупал, думал может где переломился. с пульта стартер крутит бодро, искра есть, свечи четыре разных ставил абсолютно новых! Думал мозги не рабочие у Тимофея спросил он сказал проверил перед отправкой. куда лезть я уже не знаю мот уже третью неделю стоит в гараже все темы про двухсотку пролистал ничего подобного не нашел. может есть кто с Новосибирска чтобы проверить именно с проводкой от 2001г. не разобрал только пульты и катушку не знаю как проверить. уже подумываю купить проводку и катушку, но стоит ли? -------------------- Эндуро форева
Полезно:
Вредно:
|
|
|
|
max pain Поиск искры на мотах с серой рамой 26.7.2017, 19:54
lvbnhbq пальцем щупать провода не надо ,проверяй цепи, тес... 26.7.2017, 21:11
max pain Цитата(lvbnhbq @ 26.7.2017, 18:11) пальце... 27.7.2017, 6:00
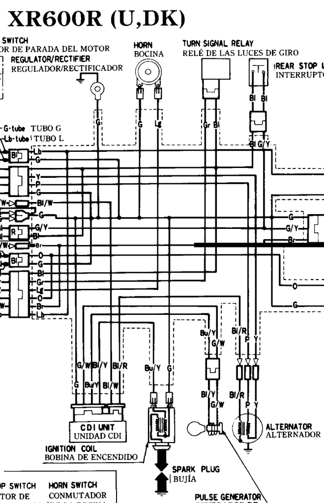
skorp777 Дело в том, что эл. схема, выложенная в файлах, он... 27.7.2017, 6:19
max pain на 1995 году
[spoiler2="вот такая "]про... 27.7.2017, 6:57
skorp777 Цитата(max pain @ 27.7.2017, 14:57) тесте... 27.7.2017, 7:32
max pain пока есть, но уже в брони за человеком с форума, м... 27.7.2017, 8:17
kserv Как устроен датчик вмт на вашем мотоцикле, возможн... 27.7.2017, 8:17
max pain дак вот дело то в том, что мотор у меня от 2002г т... 27.7.2017, 8:19
kserv Генератор и РР не влияет на искру никак (можно РР ... 27.7.2017, 8:24
max pain Цитата(kserv @ 27.7.2017, 5:24) Генератор... 27.7.2017, 8:29
kserv На данном сайте имеется схема с переводом, она соо... 27.7.2017, 8:58
max pain у нас на сайте
[spoiler2="вот"]такая[/sp... 27.7.2017, 9:10
kserv Именно эту схему я и смотрел.
Возможно подать + ... 27.7.2017, 10:09
max pain моему моту, а он у меня 2001г, не соответствует да... 27.7.2017, 10:35
kserv Нужно искать вашу или рисовать.
Сколько у вас пров... 27.7.2017, 10:41
max pain походу так и придется сделать
поискал схему в инт... 27.7.2017, 11:14
skorp777 Цитата(kserv @ 27.7.2017, 18:09) Возможно... 27.7.2017, 15:28
max pain накинул сидуху и пластик, скоро будем кататься...
... 27.7.2017, 16:47
skorp777 Цитата(max pain @ 28.7.2017, 0:47) походу... 27.7.2017, 17:15
kserv Я схему смотрел, там + постоянно на катушку идет а... 27.7.2017, 17:33
max pain Цитата(kserv @ 27.7.2017, 14:33) Я схему ... 27.7.2017, 18:04
skorp777 Цитата(kserv @ 28.7.2017, 1:33) но на кат... 27.7.2017, 17:37
max pain в общем пришел в гараж с настроем победить болезн... 27.7.2017, 17:53
skorp777 Цитата(max pain @ 28.7.2017, 1:53) 3. жел... 27.7.2017, 17:57
max pain Цитата(skorp777 @ 27.7.2017, 14:57) Вот ж... 27.7.2017, 18:31
skorp777 Цитата(max pain @ 28.7.2017, 2:04) всё пр... 27.7.2017, 18:15
kserv Я полагаю коммутатор питается от фазы генератора, ... 27.7.2017, 18:40
max pain первое всё верно.
даже если батарейка села и катуш... 27.7.2017, 18:48
max pain катушка пришла, все собрал завел, нарадоваться не ... 13.8.2017, 18:57
send2u Заморочился с типами зажигания, у самого мотоцикл ... 24.9.2024, 13:55
Андрей Омск Всем привет. Подскажите можно ли на Suzuki Djebel ... 20.11.2025, 16:19
Mmorf Вот фото с проводами: https://www.carmo-electronic... 20.11.2025, 17:05
Андрей Омск Цитата(Mmorf @ 20.11.2025, 14:05) Вот фот... 21.11.2025, 17:35
Андрей Омск Цитата(Андрей Омск @ 21.11.2025, 14:35) У... 24.11.2025, 18:52
send2u Цитата(Андрей Омск @ 20.11.2025, 16:19) П... 21.11.2025, 14:27
send2u Цитата(Андрей Омск @ 24.11.2025, 18:52) П... 25.11.2025, 15:59
Андрей Омск Цитата(send2u @ 25.11.2025, 12:59) А что ... 25.11.2025, 20:19
serg Андрей Омск, не нужно каждый раз писать через цити... 25.11.2025, 22:18
send2u Цитата(Андрей Омск @ 25.11.2025, 20:19) К... 26.11.2025, 11:20
Андрей Омск Я думаю у контакты должны совпасть незря модель бл... 26.11.2025, 12:12
send2u
масса - черно/белый+зелено/белый
с датчика генера... 26.11.2025, 15:35
Андрей Омск Да верно
Коммутатор аналог 39200-42А30 который... 26.11.2025, 20:39
send2u Цитата(Андрей Омск @ 26.11.2025, 20:39) К... 27.11.2025, 11:08
Андрей Омск Цитата(send2u @ 27.11.2025, 8:08) несколь... 27.11.2025, 12:49
send2u Цитата(Андрей Омск @ 27.11.2025, 12:49) А... 27.11.2025, 13:30
Андрей Омск Цитата(send2u @ 27.11.2025, 10:30) Увы, м... 27.11.2025, 13:55
send2u Какое напряжение на выходе РР?
Может он неисправен... 27.11.2025, 14:17
Андрей Омск Цитата(send2u @ 27.11.2025, 11:17) Какое ... 27.11.2025, 14:38
send2u Думаю еще можно попробовать CDI от BM200 эндуро. М... 27.11.2025, 14:58
Андрей Омск Цитата(send2u @ 27.11.2025, 11:58) Думаю ... 27.11.2025, 15:32
ksr Цитата(send2u @ 27.11.2025, 13:08) А что ... 28.11.2025, 2:35
send2u DR200SEY
Цитата(ksr @ 28.11.2025, 2:35... 28.11.2025, 9:56
Андрей Омск ЦитатаУ кого Дж200 с CDI, отпишитесь, все ли китай... 28.11.2025, 10:31
ksr Цитата(send2u @ 28.11.2025, 11:56) Это гд... 28.11.2025, 11:33
Андрей Омск Подскажите эти данные к Djebel 200 относятся и зач... 28.11.2025, 12:55
ksr Вот так вопрос. Выше я писал, что информация об УО... 28.11.2025, 14:02
send2u Цитата(ksr @ 28.11.2025, 11:33) Не надо п... 28.11.2025, 14:53
ksr Вообще говоря, УОЗ задается конструкторами не от т... 28.11.2025, 15:54
Андрей Омск Всем привет. Сегодня после недели простоя при темп... 30.11.2025, 16:06
Андрей Омск Цитата(send2u @ 28.11.2025, 11:53) Весна ... 1.12.2025, 10:45
ksr Цитата(Андрей Омск @ 1.12.2025, 12:45) Пр... 1.12.2025, 16:19
Андрей Омск
Коммутатор 32900-42АА0
С одной стороны залит ко... 1.12.2025, 16:33
ksr Это тот самый коммутатор, подозреваемый в неисправ... 1.12.2025, 17:57
Андрей Омск Цитата(ksr @ 1.12.2025, 14:57) Это тот са... 1.12.2025, 18:27
send2u Цитата(Андрей Омск @ 1.12.2025, 10:45) Пр... 2.12.2025, 13:45
ksr Метка F на роторе расположена в том месте, где она... 2.12.2025, 16:11
Андрей Омск Всех приветствую. Сегодня отремонтировали родной к... 6.12.2025, 15:14
Leksey Круто! 6.12.2025, 17:59
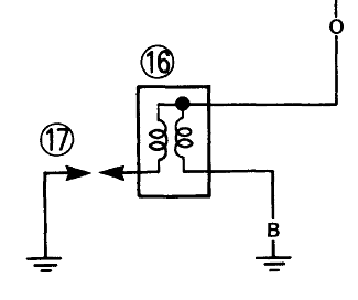
Андрей Омск Вопрос к знатокам. Как правильно подключается двух... 7.12.2025, 17:11
send2u А вот объясните кто-нибудь.
Если этот 6-контактный... 9.12.2025, 11:28
Андрей Омск Цитата(send2u @ 9.12.2025, 8:28) А вот об... 9.12.2025, 13:53
Mmorf За ответ не ручаюсь, но вот что выдает ИИ:
ЦитатаД... 9.12.2025, 11:39
send2u ну все, закрывайте форум за ненадобностью :-D 9.12.2025, 13:06
Huandi Цитата(send2u @ 9.12.2025, 15:06) ну все,... 9.12.2025, 13:26
Mmorf Ответы ИИ всегда требуют экспертной оценки, но ино... 9.12.2025, 13:45
ksr Подкину корма для ИИ.
Цитата(Андрей Омск @ 7... 10.12.2025, 1:54
send2u На 2-контактной катушке клеммы разной ширины. По и... 10.12.2025, 9:38
Андрей Омск Цитата(send2u @ 10.12.2025, 6:38) На 2-ко... 11.12.2025, 11:52
Андрей Омск Подключение желтого коммутатора.
Сегодня с... 13.12.2025, 16:10
Андрей Омск Подключение желтого коммутатора.
Сегодня подключа... 29.3.2026, 17:10
send2u Цитата(Андрей Омск @ 13.12.2025, 16:10) О... 15.12.2025, 8:51
Андрей Омск Цитата(send2u @ 15.12.2025, 5:51) И что э... 15.12.2025, 12:08
send2u Цитата(Андрей Омск @ 15.12.2025, 12:08) Н... 15.12.2025, 15:09
send2u Цитата(Андрей Омск @ 29.3.2026, 17:10) ну... 30.3.2026, 15:01
ksr Неправильно зеленый провод от датчика подключать к... 31.3.2026, 11:15
Андрей Омск Цитата(ksr @ 31.3.2026, 8:15) Правильная ... 7.4.2026, 8:04
ksr Если контакт подписан как "глушить двигатель... 7.4.2026, 14:06
Андрей Омск Цитата(ksr @ 7.4.2026, 11:06) Если контак... 8.4.2026, 13:09
send2u Цитата(send2u @ 25.11.2025, 15:59) Себе к... 27.4.2026, 8:34
ksr Да, с распиновкой не густо в сети. Ищем так:
1. ... 28.4.2026, 16:30
send2u
https://vkvideo.ru/video6610404_456239545
Он р... 30.4.2026, 9:50
ksr Произойдет замыкание фазы генератора на массу. Дал... 30.4.2026, 10:31
send2u Т.е. контакт №3 можно смело удалять, и никакого из... 30.4.2026, 11:28
ksr Цитата(send2u @ 30.4.2026, 13:28) Т.е. ко... 30.4.2026, 12:45
send2u Цитата(ksr @ 30.4.2026, 12:45) При запуск... 30.4.2026, 13:40
ksr Я не знаю, насколько плотно контакт сидит в изолят... 30.4.2026, 14:26
send2u Выкусил контакт. На остатки клеммы налепил кусок и... 30.4.2026, 20:49
send2u Катнул на одном и другом. Опять же, субъективно, п... 1.5.2026, 16:52![]() ![]() |
|
Текстовая версия | Сейчас: 4.5.2026, 11:15 |