Здравствуйте, гость ( Вход | Регистрация )
16.12.2017, 18:34
Сообщение
#1
|
|
![]() Весьма заинтересован ![]() ![]() ![]() Группа: Эндуристы Сообщений: 32 Регистрация: 16.9.2014 Вставить ник Цитата Из: Екатеринбург Мотоцикл: Honda XRV750 RD07 Africa Twin 1994г. Djebel 250xc 2003г. Djebel 250xc 1998г. Репутация: 3
|
Приветствую всех, делюсь опытом установки подогрева карба на Микуни ТМ33(на ТМ28 аналогично).
Описание, или нафига оно надо. - На всех моих джебелях одна жуткая проблема-как только температора опускается ниже нуля, мопед начинает жутко хандрить. Обмерзает карбюратор, и чем холоднее на улице тем сильнее его припадки. Кому интересно-сначала обростает инеем канал холостого хода(маленькое отверстие на выходе из карба), пропадают холостые, постепенно но уверенно. Затем чтоб мотор не глох надо тупо крутить треть ручки газа. Если оставить на ночь, после таких выкрутасов, в холодном гараже-с утра не завести ни как без плясок. Пытался решить это дело разными способами. Решений было несколько: 1.Шторки для обдува карба. С обоих сторон от цилиндра установил шторки из картона(что было под рукой..под колесами на тропинке).Просто запихал их как есть под бензобак, все держалось. Горячий воздух с цилиндра идет прям на карбюратор. В лесу где скорости небольшие-помогает отлично, ниче не обмерзает. Но на трассе цилиндр остывает очень сильно и опять карбу становится плохо. Да и загорались картонки от глушителя пару раз)). 2.Электрический подогрев. Был у меня когда то давно йобрик(yamaha ybr125) дак там с завода в карб закручен винтик латунный с проводом, является как раз нагревательным элементом. Вот он заводился и работал без проблем даже в лютые морозы. Поискал в интернетах и нашел артикул нагревалки для йобрика (5FU837902000) мощность 30w(12в). ценник на импексе сейчас 1тыща без доставки. Есть аналогичная приблуда для КТМ за 4-5 тыщ, там еще по мануалу надо карб дырявить и нарезать резьбу для ее установки Поискал бюджетный вариант, и нашел "нагревательный элемент головки 3д принтера" габариты 6мм*20мм мощность 40w(12в), ценник 150р и в наличии можно найти. ![]() Куда его втыкать? Дак все просто-в карбе есть отверстие(см. фото) 4мм в диаметре примерно, и на 30мм глубиной. Рядом каналы не проходят и толщина стенки, как я решил, позволяет его использовать для наших целей. Рассверливаем его до 6мм, и на 15мм в глубину. Заподлицо не стал ставить, чтоб была возможность ухватиться за него, для демонтажа(если вдруг сгорит). Входить должен плотно, до кучи можно мазнуть термопастой чтоб был должный теплоотвод. Если не плотно садится-подкладываем пару тройку медных жил из любого кабеля. Подключил через предохранитель и тумблер на аккум. ![]() При включении, за минуту прогревается ВЕСЬ карб со всех сторон(резинки не плавятся, температура не высокая). Заводить мопед в -20 просто кайф, как тачка инжекторная. Подошел, включил подогрев, вытянул подсос, минуту подождал, с пол тыка завел мопед без всяких бубнов, подгазовок, работает как летом, заглохнуть не пытается, кайф! Фотка одна, вся суть на ней, думаю, отражена. Полезно:
Вредно:
|
|
|
|
Borisov_ekb Подогрев карбюратора 16.12.2017, 18:34
Mr.remont111 Если просверлить случайно не 15 мм а больше не гро... 16.12.2017, 23:41
Rico Отличная идея, отличная реализация, бюджетно. 17.12.2017, 0:33
Макос Очень вовремя, нужная тема! 17.12.2017, 12:54
skorp777 Цитата(Mr.remont111 @ 17.12.2017, 7:41) т... 17.12.2017, 13:11
Mr.remont111 Цитата(skorp777 @ 17.12.2017, 10:11) Разв... 17.12.2017, 20:53
Linkshunter Товарищ зиму откатался с медной толстой проволокой... 17.12.2017, 19:56
Макос Можно мощный керамический резистор хомутом притяну... 17.12.2017, 20:16
Borisov_ekb Перед запуском, и во время езды, у меня он работае... 17.12.2017, 23:07
VaDukE был на ебрике подогрев, никакой пользы от него не ... 18.12.2017, 12:29
Сhestar ставил китайскую пластину экспериментально,а толку... 18.12.2017, 16:20
Borisov_ekb Цитата(chestar700 @ 18.12.2017, 13:20) а ... 24.12.2017, 12:38
Макос А у меня в mikuni vm22 не получится вставить нагре... 21.12.2017, 13:43
plastilinko Цитата(Макос @ 21.12.2017, 13:43) А у мен... 10.1.2018, 8:28
Сhestar Макос
на термопасту и хомутом каким нибудь для на... 21.12.2017, 18:48
Макос Цитата(chestar700 @ 21.12.2017, 19:48) на... 22.12.2017, 3:25
Skiller Цитата(Макос @ 21.12.2017, 13:43) Надеюсь... 24.12.2017, 18:28
Макос Цитата(Skiller @ 24.12.2017, 19:28) не см... 1.1.2018, 17:47
Агерь Цитата(Макос @ 1.1.2018, 14:47) накрутить... 2.1.2018, 23:45
Макос Да нижняя крышка в контакте с корпусом через резин... 25.12.2017, 4:08
миня маслов Мне не хватает теплоты бензин ему сказал сейчас на... 28.12.2017, 19:57
Skiller ссылку на нагреватель под резьбу дай. 30.12.2017, 13:05
миня маслов Цитата(Skiller @ 30.12.2017, 10:05) ссылк... 31.12.2017, 1:19
Skiller Погооглю, да.
У меня ещё беда в том, что аккумуля... 31.12.2017, 18:14
Skiller Цитата(Макос @ 1.1.2018, 17:47) он не усп... 2.1.2018, 18:15
Сhestar не трогайте жиклеры в вакуумнике,и вообще на джебе... 3.1.2018, 0:05
serg И вообще настройки не трогайте. Отвернули винт кач... 3.1.2018, 12:38
Skiller Цитата(chestar700 @ 3.1.2018, 0:05) трога... 3.1.2018, 13:48
миня маслов Вообщем подошел я сегодня к упертому эндуро профи.... 9.1.2018, 20:42
Сhestar Ты сам себе ник придумал? 9.1.2018, 20:51
миня маслов Цитата(chestar700 @ 9.1.2018, 17:51) Ты с... 9.1.2018, 22:23
Faster_Don
Други!
А никто не пробовал таким проводком ут... 21.12.2021, 22:01
Max_br А для чего подогреватель "карба"? 22.12.2021, 3:15
motophil Снял подогрев с бандита 1200, там я так понимаю он... 22.12.2021, 7:47
Leksey Цитата(Max_br @ 22.12.2021, 5:15) А для ч... 22.12.2021, 8:59
GrizLee И заводится с тёплым карбом техника лучше. Когда в... 22.12.2021, 9:02
Doctorfrolov На большой кубатуре, оно работает и в теплый перио... 22.12.2021, 10:54
Faster_Don Любопытно до каких температур греет штатный обогре... 22.12.2021, 12:45
GrizLee Цитата(Faster_Don @ 22.12.2021, 13:45) Лю... 22.12.2021, 12:49
Faster_Don Цитата(GrizLee @ 22.12.2021, 9:49) Правил... 22.12.2021, 14:42
car-bon Цитата(Faster_Don @ 22.12.2021, 21:42) 40... 22.12.2021, 14:46
Faster_Don Мне он нужен, как предпусковой обогреватель - вклю... 22.12.2021, 14:49
Генрих У нас утром. -32, будет -38-40. Манал я такие пока... 22.12.2021, 14:49
Антон Усы я сам делал подогрев карба для мопеда. Нихромовая ... 22.12.2021, 15:12
Faster_Don Сделал в итоге обогрев. Точнее даже комплексно под... 27.12.2021, 20:18
Сhestar Это шо за ....... 28.12.2021, 4:52
Doctorfrolov Тюнинх. 28.12.2021, 8:08
Фаныч ))) на иж планете оребрение большой площади, дык я... 28.12.2021, 8:47
madmaks Цитата(Фаныч @ 28.12.2021, 9:47) ))) на и... 28.12.2021, 8:55
Фаныч Цитата(madmaks @ 28.12.2021, 10:55) снару... 28.12.2021, 8:58
madmaks Цитата(Фаныч @ 28.12.2021, 9:58) Не понял... 28.12.2021, 9:03
Faster_Don Цитата(madmaks @ 28.12.2021, 6:03) как на... 28.12.2021, 13:35
Фаныч Не. На иже чистый. Даже колено к цилиндру было гер... 28.12.2021, 11:26
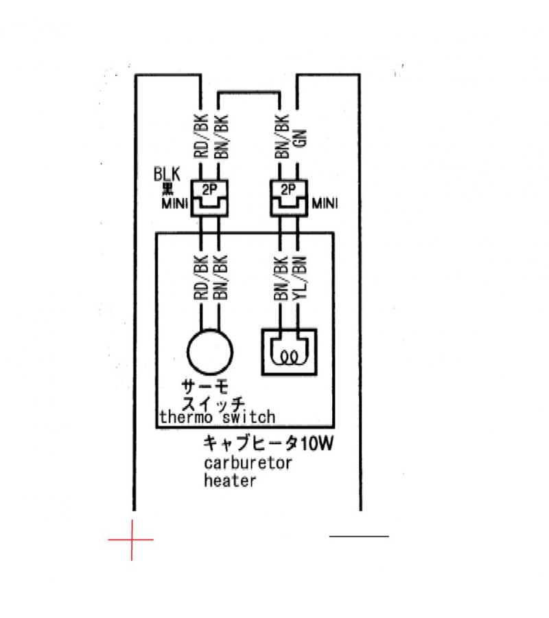
silverspirit Разбираясь со штатным подогревом на свежекупленной... 5.1.2022, 22:45
Faster_Don Цитата(silverspirit @ 5.1.2022, 19:45) Ра... 10.1.2022, 16:38
Doctorfrolov куда ехал то?
400 верст - путь неблизкий. 10.1.2022, 17:10
Faster_Don Цитата(Doctorfrolov @ 10.1.2022, 14:10) к... 12.1.2022, 12:45
GrizLee Пиптик не отвалился? 12.1.2022, 12:47
Faster_Don Цитата(GrizLee @ 12.1.2022, 9:47) Пиптик ... 12.1.2022, 13:16![]() ![]() |
|
Текстовая версия | Сейчас: 31.3.2026, 4:16 |