Здравствуйте, гость ( Вход | Регистрация )
6.9.2021, 22:58
Сообщение
#1
|
|
![]() Заинтересован ![]() ![]() Группа: Пользователи Сообщений: 17 Регистрация: 11.8.2016 Вставить ник Цитата Из: Минск Мотоцикл: Yamaha WR250F 2004 Репутация: 0
|
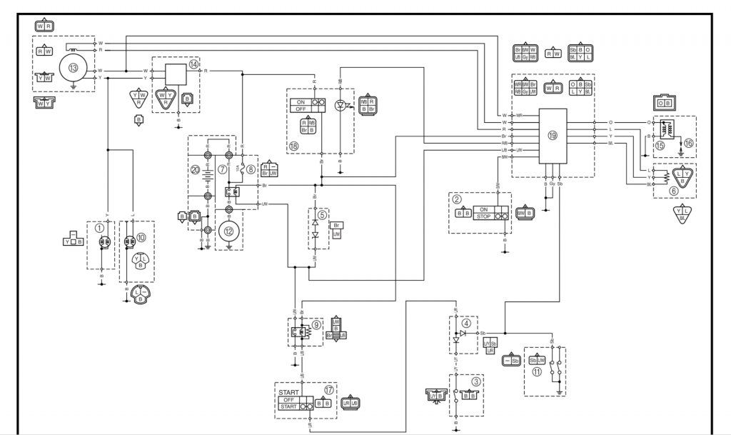
Добрый день. Есть вопрос. Хочу подключить лед фару на 25ватт к разъему штатной фары. Но проблема в том, стл там переменка. Запитка от акб не вариант, проседает напруга при включении фары и аккум фактически не заряжается. Замерил мультиметром напругу под нагрузкой лампой на 4 ампера на разъеме, примерно 13-16 вольт переменки, при перегазовке чутка подымается напряжение. Поставил диодный мост и кондер на 10000мф, замеряю постоянку на выходе и получаю 20в постоянки на холостых и больше 50ти вольт в пол газа. Понимаю что после моста напруга выше в 1.4 раза , но почему она поднимается больше 50вольт? При подключении лампы к переменке и разгазовке не видел больше 18вольт. В общем голову сломал уже. Как стабилизировать, ибо слишком большой диапазон входного напряжения получается. Может кто что посоветует по данному вопросу? Мот wr250f 2004. На статоре 2 раздельные обмотки. Первая 250 ом и на холостых 20в переменки идет в блок cdi. Вторая обмотка 0.4 ома и звониться на массу. Идет на свет и параллельно на регулятор(зарядка). Мощность статора 120вт. Мне по итогу больше 3х ампер 12в не понадобиться.
Полезно:
Вредно:
|
|
|
|
Amaibot Постоянное напряжение от переменки головного света 6.9.2021, 22:58
GrizLee Конденсатор на 15 вольт попробуй поставить 6.9.2021, 23:11
dimag Цитата(GrizLee @ 7.9.2021, 1:11) Конденса... 7.9.2021, 6:38
GrizLee Наверное да. 7.9.2021, 7:42
Amaibot Лампу подключал H1 на 55 ватт. Конденсатор стоит н... 7.9.2021, 7:59
GrizLee скорее всего у тебя мультиметр показывает среднекв... 7.9.2021, 8:20
dimag Цитата(Amaibot @ 7.9.2021, 9:59) переменк... 7.9.2021, 8:43
Amaibot Не могу понять принцип работы генератора на этом м... 7.9.2021, 9:16
dimag Цитата(Amaibot @ 7.9.2021, 11:16) всё так... 7.9.2021, 9:25
Amaibot Ну а как без него, если есть аккум =) Но по заводу... 7.9.2021, 9:41
Vitalii1980 На Али полно стабилизаторов на 12 вольт. Вход може... 7.9.2021, 9:46
GrizLee А ты уверен, что твоё рр на мотоцикле исправно? Мо... 7.9.2021, 9:59
Amaibot Много DC стабилизаторов продают у нас, но у многих... 7.9.2021, 10:05
GrizLee И для чего же эти 100 предназначены? Откуда инфа п... 7.9.2021, 10:23
Amaibot Цитата(GrizLee @ 7.9.2021, 7:23) И для че... 7.9.2021, 10:24
GrizLee Посмотрел схему. Ну явно видно же, что освещение п... 7.9.2021, 10:37
kserv Под номером 14 у вас рр однофазное, под номерами 1... 7.9.2021, 10:40
GrizLee ну кстати да. можно и дополнительно реле воткнуть.... 7.9.2021, 10:43
kserv Возможно там две обмотки относительно земли Y и W... 7.9.2021, 10:50
GrizLee Я если честно только не понял куда уходит второй к... 7.9.2021, 11:52
Amaibot Блин ребята, спасибо огромное, ситуация проясняетс... 7.9.2021, 12:15
GrizLee Ну не 20 вольт максимальный модуль напряжения, а 2... 7.9.2021, 12:28
Amaibot Какой-то хитрый РР получается на моте, и постоянку... 7.9.2021, 13:07
GrizLee Не понятно, что внутри этого РР происходит, поэтом... 7.9.2021, 13:10
dimag Цитата(Amaibot @ 7.9.2021, 15:07) Какой-т... 7.9.2021, 13:16
GrizLee Цитата(dimag @ 7.9.2021, 13:16) Если он ш... 7.9.2021, 13:20
dimag Цитата(GrizLee @ 7.9.2021, 15:20) Схему с... 7.9.2021, 13:30
GrizLee Нет. Там же указана буква B - это чёрный провод вы... 7.9.2021, 13:33
dimag Цитата(GrizLee @ 7.9.2021, 15:33) Нет. Та... 7.9.2021, 13:39
GrizLee Наверное ты прав) 7.9.2021, 13:56
Amaibot Диод цеплял на контакты от родной фары, фактически... 7.9.2021, 14:03
dimag Цитата(Amaibot @ 7.9.2021, 16:03) выходят... 7.9.2021, 15:05
ksr Обильно написано, но как-то беспорядочно. Предлага... 7.9.2021, 17:05
Amaibot Всем спасибо за информацию! Буду изучать. В св... 7.9.2021, 17:31
kserv Принцип работы рр это шунтирование обмотки на масс... 7.9.2021, 17:56
ksr Amaibot, хотелось бы уточнить:
Цитата(Amaibot ... 7.9.2021, 18:01
Amaibot Цитата(ksr @ 7.9.2021, 15:01) Amaibot, хо... 7.9.2021, 21:05
Amaibot По итогу подключил через диодный мост + конденсато... 10.9.2021, 19:26
GrizLee Цитата(Amaibot @ 10.9.2021, 19:26) По ито... 10.9.2021, 21:02![]() ![]() |
|
Текстовая версия | Сейчас: 29.3.2026, 17:16 |