Джебел - клуб

Здравствуйте, гость ( Вход | Регистрация )

2 страниц V   1 2 >  
Показать только полезное Ответить в данную тему Начать новую тему
> Подключение электронной приборки, Vapor Trail Tech
riog
сообщение 12.5.2022, 5:24
Сообщение #1


Сильно заинтересован
****

Группа: Эндуристы
Сообщений: 281
Регистрация: 29.1.2019
Вставить ник Цитата Из: Санкт-Петербург
Мотоцикл: DR650SE

Репутация:   4  


Коллеги, приветствую!
Помогите с подключением к бортовой сети электронной приборки Trail Tech Vapor.
Подключил все кроме питания. Там идет просто два провода - плюс/минус. Нужно запитать куда-то, что бы при включении зажигания включалась приборка.
Так как в электрике я не спец, прошу пошагово помочь с подключением, как, что, куда, что понадобится, надо ли что-то паять и тд.
Хочется сделать правильно и аккуратно, без брошенных напрямую проводов на аккум.


Полезно: 0
Вредно: 0
Перейти в начало страницы Перейти в конец страницы
+ Цитировать сообщение
Huandi
сообщение 12.5.2022, 13:34
Сообщение #2


Восемь значков сузуки
********

Группа: Администраторы
Сообщений: 23375
Регистрация: 23.5.2008
Вставить ник Цитата Из: Northern Ural
Мотоцикл: Triumph Tiger 800 XCx 2016

Репутация:   140  


К проводу питания приборки прицепись. Или можно к проводам фары. Лучше не паять, а через обжимные коннекторы с термоусадкой.

Прикрепленное изображение

Цитата(Huandi @ 12.5.2022, 11:52) *
К проводу питания приборки прицепись.


А, на 650 же железный будильник. Тогда к фаре будет правильно. Или у будильника есть подсветка? (на моем его не было)

Полезно: 0
Вредно: 0
Перейти в начало страницы Перейти в конец страницы
+ Цитировать сообщение
riog
сообщение 12.5.2022, 16:27
Сообщение #3


Сильно заинтересован
****

Группа: Эндуристы
Сообщений: 281
Регистрация: 29.1.2019
Вставить ник Цитата Из: Санкт-Петербург
Мотоцикл: DR650SE

Репутация:   4  


Цитата(Huandi @ 12.5.2022, 10:34) *
К проводу питания приборки прицепись. Или можно к проводам фары. Лучше не паять, а через обжимные коннекторы с термоусадкой.

Прикрепленное изображение



А, на 650 же железный будильник. Тогда к фаре будет правильно. Или у будильника есть подсветка? (на моем его не было)



Вроде нет подсветки. Я давно снял родной будильник.

Как подключать к фаре? Резать +- на нее и подключать через коннектор?


Полезно: 0
Вредно: 0
Перейти в начало страницы Перейти в конец страницы
+ Цитировать сообщение
Huandi
сообщение 12.5.2022, 17:06
Сообщение #4


Восемь значков сузуки
********

Группа: Администраторы
Сообщений: 23375
Регистрация: 23.5.2008
Вставить ник Цитата Из: Northern Ural
Мотоцикл: Triumph Tiger 800 XCx 2016

Репутация:   140  


Цитата(riog @ 12.5.2022, 18:27) *
Резать +- на нее и подключать через коннектор?


Да. Ой, только плюс там отдельно же дальний\ближний. Надо что-то другое. Провод, который идет на переключатель дальний\ближний, может быть.

Полезно: 0
Вредно: 0
Перейти в начало страницы Перейти в конец страницы
+ Цитировать сообщение
riog
сообщение 12.5.2022, 23:24
Сообщение #5


Сильно заинтересован
****

Группа: Эндуристы
Сообщений: 281
Регистрация: 29.1.2019
Вставить ник Цитата Из: Санкт-Петербург
Мотоцикл: DR650SE

Репутация:   4  


Цитата(Huandi @ 12.5.2022, 14:06) *
Да. Ой, только плюс там отдельно же дальний\ближний. Надо что-то другое. Провод, который идет на переключатель дальний\ближний, может быть.



Так в итоге совет будет какой-то дельный?)

Кто-нибудь есть, кто подключал что-либо на DR650SE ?
Помогите!

Полезно: 0
Вредно: 0
Перейти в начало страницы Перейти в конец страницы
+ Цитировать сообщение
ewil
сообщение 13.5.2022, 4:02
Сообщение #6


Сильно заинтересован
****

Группа: Эндуристы
Сообщений: 243
Регистрация: 28.4.2020
Вставить ник Цитата Из: Новосибирск
Мотоцикл: Yamaha XT1200Z
Honda CRF 250L


Репутация:   1  


Привет! Самое простое - найди мультиметром где появляется "+" после включения зажигания и туда подключись!



--------------------
Yamaha XT1200Z + ИЖ Юпитер - 4К + ИЖ Планета 5
Полезно: 0
Вредно: 0
Перейти в начало страницы Перейти в конец страницы
+ Цитировать сообщение
лкп
сообщение 13.5.2022, 7:41
Сообщение #7


Сильно заинтересован
****

Группа: Эндуристы
Сообщений: 213
Регистрация: 10.11.2013
Вставить ник Цитата Из: Нижний Тагил-Верхняя Пышма
Мотоцикл: YAMAHA XTZ 660 TENERE

Репутация:   10  


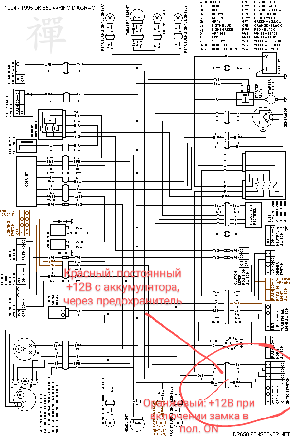
Надо найти где-то за фарой, под приборкой разъем от замка зажигания (обведен на схеме) из шести проводов: коричневый, серый, красный, оранжевый (возможно рядом ответвление на оранжево/черный), черно/белый, черно/желтый. В разъеме: красный провод это 12в с аккумулятора через главный предохранитель, оранжевый провод - это и есть искомые 12в при включении замка зажигания в положение ON. Также этот оранжевый провод есть в разъеме приборки (на 8 проводов).
Прикрепленное изображение
Ну и проверку мультиметром никто не отменялsmile.gif

Цитата(riog @ 12.5.2022, 18:27) *
Вроде нет подсветки. Я давно снял родной будильник.

Как подключать к фаре? Резать +- на нее и подключать через коннектор?

Кстати, Будильник снял, а разъем-то остался. Вот в него и подключись. Тот же оранжевый. Пин можно с проводов штатного спидометра сдернуть и на провод вапора поставить.

Полезно: 0
Вредно: 0
Перейти в начало страницы Перейти в конец страницы
+ Цитировать сообщение
Huandi
сообщение 13.5.2022, 8:57
Сообщение #8


Восемь значков сузуки
********

Группа: Администраторы
Сообщений: 23375
Регистрация: 23.5.2008
Вставить ник Цитата Из: Northern Ural
Мотоцикл: Triumph Tiger 800 XCx 2016

Репутация:   140  


Это диаграмма другого DR - старого.

Полезно: 0
Вредно: 0
Перейти в начало страницы Перейти в конец страницы
+ Цитировать сообщение
СЕМЕН
сообщение 13.5.2022, 9:29
Сообщение #9


Живёт здесь
*****

Группа: Свои
Сообщений: 2399
Регистрация: 16.10.2011
Вставить ник Цитата Из: Тверь
Мотоцикл: XR600RM,R1100GS

Репутация:   23  


на сигнал подключи

Полезно: 0
Вредно: 0
Перейти в начало страницы Перейти в конец страницы
+ Цитировать сообщение
Leksey
сообщение 13.5.2022, 9:32
Сообщение #10


Человек с аватарой
*********

Группа: Модераторы
Сообщений: 35031
Регистрация: 16.7.2009
Вставить ник Цитата Из: Первоуральск
Мотоцикл: Suzuki Djebel 250 XC 96

Репутация:   271  


biggrin.gif

Спросил на форуме называется )

Полезно: 0
Вредно: 0
Перейти в начало страницы Перейти в конец страницы
+ Цитировать сообщение
Huandi
сообщение 13.5.2022, 9:44
Сообщение #11


Восемь значков сузуки
********

Группа: Администраторы
Сообщений: 23375
Регистрация: 23.5.2008
Вставить ник Цитата Из: Northern Ural
Мотоцикл: Triumph Tiger 800 XCx 2016

Репутация:   140  


Цитата(riog @ 12.5.2022, 18:27) *
Вроде нет подсветки. Я давно снял родной будильник.


А вот тут под цифрой 6 лампа - это не она?
https://www.megazip.ru/zapchasti-dlya-motoc...1064414-1064414

Вот слева вверху подсветка на будильник. Найти этот провод и всё.


Прикрепленное изображение


Полезно: 0
Вредно: 1
Перейти в начало страницы Перейти в конец страницы
+ Цитировать сообщение
riog
сообщение 13.5.2022, 10:52
Сообщение #12


Сильно заинтересован
****

Группа: Эндуристы
Сообщений: 281
Регистрация: 29.1.2019
Вставить ник Цитата Из: Санкт-Петербург
Мотоцикл: DR650SE

Репутация:   4  


Цитата(Huandi @ 13.5.2022, 6:44) *
А вот тут под цифрой 6 лампа - это не она?
https://www.megazip.ru/zapchasti-dlya-motoc...1064414-1064414

Вот слева вверху подсветка на будильник. Найти этот провод и всё.


Прикрепленное изображение



Да, точняк, тоже посмотрел схему. Серый и черно/белый провод нужен, верно? Но он, случаем, не выключается при выключенной фаре? Ибо на ДР, если помнишь, её можно полностью отключить.

Полезно: 0
Вредно: 0
Перейти в начало страницы Перейти в конец страницы
+ Цитировать сообщение
Huandi
сообщение 13.5.2022, 11:02
Сообщение #13


Восемь значков сузуки
********

Группа: Администраторы
Сообщений: 23375
Регистрация: 23.5.2008
Вставить ник Цитата Из: Northern Ural
Мотоцикл: Triumph Tiger 800 XCx 2016

Репутация:   140  


Цитата(riog @ 13.5.2022, 12:52) *
Но он, случаем, не выключается при выключенной фаре?


По схеме провод идет от замка зажигания. Не должен отключаться.

Полезно: 0
Вредно: 0
Перейти в начало страницы Перейти в конец страницы
+ Цитировать сообщение
dimag
сообщение 13.5.2022, 13:22
Сообщение #14


Живёт здесь
*****

Группа: Свои
Сообщений: 1716
Регистрация: 28.8.2013
Вставить ник Цитата Из: Пермь
Мотоцикл: Suzuki DR650SE Triumph Tiger 800XC

Репутация:   45  


Цитата(riog @ 13.5.2022, 12:52) *
Да, точняк, тоже посмотрел схему. Серый и черно/белый провод нужен, верно? Но он, случаем, не выключается при выключенной фаре? Ибо на ДР, если помнишь, её можно полностью отключить.

на 650SE фару выключить нечем (кроме резки проводов).
Подсветка спидометра не выключается. Она просто хилая и днём её не видно.



--------------------
С уважением,
Дмитрий
Полезно: 0
Вредно: 0
Перейти в начало страницы Перейти в конец страницы
+ Цитировать сообщение
riog
сообщение 13.5.2022, 16:05
Сообщение #15


Сильно заинтересован
****

Группа: Эндуристы
Сообщений: 281
Регистрация: 29.1.2019
Вставить ник Цитата Из: Санкт-Петербург
Мотоцикл: DR650SE

Репутация:   4  


Цитата(dimag @ 13.5.2022, 10:22) *
на 650SE фару выключить нечем (кроме резки проводов).
Подсветка спидометра не выключается. Она просто хилая и днём её не видно.


Дружище, у меня на правом пульте есть кнопка включения/выключения фары. Так что ошибаешься.



Полезно: 0
Вредно: 0
Перейти в начало страницы Перейти в конец страницы
+ Цитировать сообщение
Leksey
сообщение 13.5.2022, 17:03
Сообщение #16


Человек с аватарой
*********

Группа: Модераторы
Сообщений: 35031
Регистрация: 16.7.2009
Вставить ник Цитата Из: Первоуральск
Мотоцикл: Suzuki Djebel 250 XC 96

Репутация:   271  


А на сигнале постоянный плюс, судя по схеме.

А кнопки фары на схеме не видно.

Полезно: 0
Вредно: 0
Перейти в начало страницы Перейти в конец страницы
+ Цитировать сообщение
СЕМЕН
сообщение 13.5.2022, 17:17
Сообщение #17


Живёт здесь
*****

Группа: Свои
Сообщений: 2399
Регистрация: 16.10.2011
Вставить ник Цитата Из: Тверь
Мотоцикл: XR600RM,R1100GS

Репутация:   23  


Про сигнал молчи а то получишь минус в репутацию))

Полезно: 0
Вредно: 0
Перейти в начало страницы Перейти в конец страницы
+ Цитировать сообщение
Leksey
сообщение 13.5.2022, 17:33
Сообщение #18


Человек с аватарой
*********

Группа: Модераторы
Сообщений: 35031
Регистрация: 16.7.2009
Вставить ник Цитата Из: Первоуральск
Мотоцикл: Suzuki Djebel 250 XC 96

Репутация:   271  


Это ошибка матрицы, забей.

Полезно: 0
Вредно: 0
Перейти в начало страницы Перейти в конец страницы
+ Цитировать сообщение
dimag
сообщение 13.5.2022, 21:25
Сообщение #19


Живёт здесь
*****

Группа: Свои
Сообщений: 1716
Регистрация: 28.8.2013
Вставить ник Цитата Из: Пермь
Мотоцикл: Suzuki DR650SE Triumph Tiger 800XC

Репутация:   45  


Цитата(riog @ 13.5.2022, 18:05) *
у меня на правом пульте есть кнопка включения/выключения фары.
Это уже рукоделие?




--------------------
С уважением,
Дмитрий
Полезно: 0
Вредно: 0
Перейти в начало страницы Перейти в конец страницы
+ Цитировать сообщение
said81
сообщение 14.5.2022, 12:06
Сообщение #20


Заинтересован
**

Группа: Пользователи
Сообщений: 25
Регистрация: 28.9.2015
Вставить ник Цитата Из: РБ
Мотоцикл: SUZUKIi dr650SE

Репутация:   0  


Цитата(dimag @ 13.5.2022, 18:25) *
Это уже рукоделие?

В европейский вариантах свет и габариты включая на пульте, у американцев ближний включается при повороте ключа зажигания.
Просто найти плюс с замка зажигание от него подключить приборку...

Полезно: 0
Вредно: 0
Перейти в начало страницы Перейти в конец страницы
+ Цитировать сообщение
riog
сообщение 14.5.2022, 23:33
Сообщение #21


Сильно заинтересован
****

Группа: Эндуристы
Сообщений: 281
Регистрация: 29.1.2019
Вставить ник Цитата Из: Санкт-Петербург
Мотоцикл: DR650SE

Репутация:   4  


Цитата(dimag @ 13.5.2022, 18:25) *
Это уже рукоделие?


Нет, это завод

Полезно: 0
Вредно: 0
Перейти в начало страницы Перейти в конец страницы
+ Цитировать сообщение
St.
сообщение 15.5.2022, 15:02
Сообщение #22


Живёт здесь
*****

Группа: Свои
Сообщений: 4854
Регистрация: 10.8.2013
Вставить ник Цитата Из: BQS (Благовещенск)
Мотоцикл: Нету, совсем нету. Ни одного.

Репутация:   39  


Цитата(riog @ 15.5.2022, 5:33) *
Нет, это завод

Под щитком фары есть свободный разъем. В пучьке проводов, вроде. Там плюс от замка зажигания. (Когда включено)
Это за версию для США. И резать ни чО не нужно.



--------------------
Если вам понравился пост: карта привязана к телефону, телефон в профиле, понравился- 5руб., нет-50руб. )
@st_bqs Мнения автора могут не совпадать с его точкой зрения.
Полезно: 0
Вредно: 0
Перейти в начало страницы Перейти в конец страницы
+ Цитировать сообщение
riog
сообщение 17.5.2022, 10:24
Сообщение #23


Сильно заинтересован
****

Группа: Эндуристы
Сообщений: 281
Регистрация: 29.1.2019
Вставить ник Цитата Из: Санкт-Петербург
Мотоцикл: DR650SE

Репутация:   4  


Ребят, всем привет, справился! Вопрос можно считать закрытым.

У меня версия японская, есть отдельно включаемое габариты (без ближнего) и полностью выключенная фара. Соответственно, питание на подсветку приборки подается ТОЛЬКО при включенном зажигании и при включенных габаритах или ближнем/дальнем свете.
Меня это полностью устраивает, тк езжу всегда с ближним светом или дальним светом, а если его и выключить, то у TrailTach есть автономное питание от батарейки, поэтому ничего не погаснет, все показатели сохраняются.

Кейс:

Провода на подсветку приборки - серый (минус) и черный с белой полосой (плюс).
Было решено запитываться от них, тк там, по сути, ничего резать не надо, только убрать заводские коннекторы (папы) идущие на лампочку подсветки и вместо них поставить обжимные коннекторы из леруа - мерлен.
В них я соединил провода, для надежности, поверх коннекторов добавил термоусадку.
Все заработало.


P.S если у вас версия мотоцикла американская, то делаем все тоже самое, но питание приборки не будет зависеть от света фары)


Полезно: 0
Вредно: 0
Перейти в начало страницы Перейти в конец страницы
+ Цитировать сообщение
St.
сообщение 17.5.2022, 13:57
Сообщение #24


Живёт здесь
*****

Группа: Свои
Сообщений: 4854
Регистрация: 10.8.2013
Вставить ник Цитата Из: BQS (Благовещенск)
Мотоцикл: Нету, совсем нету. Ни одного.

Репутация:   39  


Цитата(riog @ 17.5.2022, 16:24) *
P.S если у вас версия мотоцикла американская, то делаем все тоже самое, но питание приборки не будет зависеть от света фары)


У американской версии есть свободная фишка у фары в пучьке проводов. Питание от зажигания. О чем и писал ваше. Больше соединений меньше надёжность. Каждый выбирает свой путь)
Думаю и в японской версии есть "лишняя фишка")



--------------------
Если вам понравился пост: карта привязана к телефону, телефон в профиле, понравился- 5руб., нет-50руб. )
@st_bqs Мнения автора могут не совпадать с его точкой зрения.
Полезно: 0
Вредно: 0
Перейти в начало страницы Перейти в конец страницы
+ Цитировать сообщение
riog
сообщение 18.5.2022, 10:06
Сообщение #25


Сильно заинтересован
****

Группа: Эндуристы
Сообщений: 281
Регистрация: 29.1.2019
Вставить ник Цитата Из: Санкт-Петербург
Мотоцикл: DR650SE

Репутация:   4  


Цитата(St. @ 17.5.2022, 10:57) *
У американской версии есть свободная фишка у фары в пучьке проводов. Питание от зажигания. О чем и писал ваше. Больше соединений меньше надёжность. Каждый выбирает свой путь)
Думаю и в японской версии есть "лишняя фишка")



Если мы ставим электронную приборку, то подсветка приборки тоже автоматически становится «лишней» ) Так что от перемены мест слагаемых, как говорится…


Подскажи, а есть фото этой фишки? У меня там просто уже очень много чего лишнего) Ибо морда вся от DRZ, поворотников нет и тд) Возможно к этой фишке подключил бы доп. свет)

Полезно: 0
Вредно: 0
Перейти в начало страницы Перейти в конец страницы
+ Цитировать сообщение

2 страниц V   1 2 >
Ответить в данную темуНачать новую тему
3 чел. читают эту тему (гостей: 3, скрытых пользователей: 0)
Пользователей: 0

 



RSS Текстовая версия Сейчас: 22.12.2025, 9:28
Яндекс.Метрика