Джебел - клуб

Здравствуйте, гость ( Вход | Регистрация )

 
Показать только полезное Ответить в данную тему Начать новую тему
> 2Т не заводится - не видно искру - реле-регулятор?
GRU
сообщение 29.5.2022, 7:03
Сообщение #1


Заинтересован
**

Группа: Пользователи
Сообщений: 13
Регистрация: 9.6.2011
Вставить ник Цитата Из: Горно-Алтайск
Мотоцикл: Husqvarna WR250 2012

Репутация:   0  


Братья, привет!
Нужна помощь толковым советом.

Husqvarna WR250 2012 (еще красная, не КТМ, поршневая от Honda CR250), в прошлом сезоне были проблемы с заводкой - вылечили заменой реле-регулятора, а в этом сезоне при первом выезде на холодную завести киком не смог, только толкнул и сразу загудел, прогрел и стал заводиться легко, но во время покатушки заглохла и не смог завезти, даже на тросу таскал за другим мотиком, пытается загудеть, но потом глохнет, решил что свеча холодная закидало так как тошнил BR9ES. Дома вкрутил новую свечу горячее BR7ES - не заводится, смотрю искру и не вижу.
Неужели снова реле-регулятор сгорел? В чём может быть причина? Зажигание почти новое стоит, 10-20 м/ч от силы.
Из колхоза:
- отключена приборка, перестала работать после мойки выдернут штекер, так катал;
- осенью при поиске искры и замене реле-регулятора в проводке под баком было найдено подплавившееся с виду сопротивление и было благополучно выкинуто из проводки местными спецами, не может ли это быть причиной? И для чего вообще сопротивление в проводке 2Т?

Буду очень признателен за совет!Прикрепленное изображение
Прикрепленное изображение


Полезно: 0
Вредно: 0
Перейти в начало страницы Перейти в конец страницы
+ Цитировать сообщение
ksr
сообщение 29.5.2022, 14:01
Сообщение #2


Сильно заинтересован
****

Группа: Эндуристы
Сообщений: 579
Регистрация: 2.11.2019
Вставить ник Цитата Из: Уфа
Мотоцикл:
Kawasaki KSR80 1996,
Suzuki Djebel 250XC 1996

Репутация:   48  


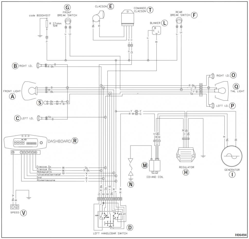
Резистор в проводке ставят обычно в тех мото, у которых регулятор напряжения шунтирующего типа и предусмотрено полное отключение нагрузки (даже габаритного света) в бортсети. Без нагрузки в генераторе получаются импульсы излишне высокого напряжения, которые могут вызвать некорректную работу и повреждение регулятора.
Постоянно подключенный резистор небольшой мощности гарантирует минимальную нагрузку генератора в любой ситуации.

Могу посоветовать вернуть в проводку резистор и затем проверить регулятор напряжения. Пока резистора нет - не отключать свет полностью, оставлять включенными хотя бы габариты.
По схеме видно, что коммутатор зажигания (CDI) соединен с регулятором белым проводом, похоже на транзит бортсети, но удостовериться в этом не могу. Если CDI для искры получает питание от бортсети, то надо убедиться в отсутствии замыканий на массу желтого провода и также провода от кнопки Стоп-двиг (красно-белый/зеленый). Можно просто на время проверки отстегнуть разъем с этими проводами и подключить контрольную лампочку между желтым проводом от регулятора и массой.

Если регулятор напряжения не пробит накоротко на массу, то от работы кикстартером лампочки должны хотя бы еле заметно вспыхивать.

Прикрепленное изображение



Полезно: 0
Вредно: 0
Перейти в начало страницы Перейти в конец страницы
+ Цитировать сообщение
GRU
сообщение 29.5.2022, 20:57
Сообщение #3


Заинтересован
**

Группа: Пользователи
Сообщений: 13
Регистрация: 9.6.2011
Вставить ник Цитата Из: Горно-Алтайск
Мотоцикл: Husqvarna WR250 2012

Репутация:   0  


Большое спасибо за столь подробный и технический грамотный совет. Попробую проверить реле-регулятор контролькой как Вы написали.

Полезно: 0
Вредно: 0
Перейти в начало страницы Перейти в конец страницы
+ Цитировать сообщение

Ответить в данную темуНачать новую тему
1 чел. читают эту тему (гостей: 1, скрытых пользователей: 0)
Пользователей: 0

 



RSS Текстовая версия Сейчас: 7.4.2026, 15:53
Яндекс.Метрика