Здравствуйте, гость ( Вход | Регистрация )
23.3.2011, 15:34
Сообщение
#1
|
|
![]() Весьма заинтересован ![]() ![]() ![]() Группа: Эндуристы Сообщений: 79 Регистрация: 1.3.2011 Вставить ник Цитата Из: Краснодарский край Мотоцикл: DR-250S Africa Twin 750 Репутация: 2
|
Здравствуйте Уважаемые знатоки! У меня SUZUKI DR-250SHE 92 года. На руле есть барашек регулировки подвески. От него идут два тросика в расширительный бачок заднего амморта. От бачка идёт шланг в ещё один бачок под баком. И из последнего бачка идут два шланга на каждое перо вилки. После переборки вилки часть жидкости вытекла т.к. пришлось отсоединять шланги от перьев. Внимание вопрос: Как прокачать эту систему и какую жидкость туда заливать. Заранее благодарю за ответы!
![]() ![]() это нашел на форуме - всё как у меня.
Полезно:
Вредно:
|
|
|
|
Cephei Перевёрнутая вилка с регулировками 23.3.2011, 15:34
serg Мне тоже интересно. Есть ли хоть кто-то, понимающи... 23.3.2011, 15:39
VIT бачок скорее всего с азотом который надо туда верн... 23.3.2011, 15:41
motodennis Сам на днях вилку разобрал для замены сальников и ... 23.3.2011, 17:40
Cephei Цитата(motodennis @ 23.3.2011, 15:40) Сам... 24.3.2011, 6:22
serg Обычное вилочное масло. Только лучше не подлить, а... 24.3.2011, 8:21
Cephei Цитата(serg @ 24.3.2011, 6:21) Обычное ви... 24.3.2011, 9:05
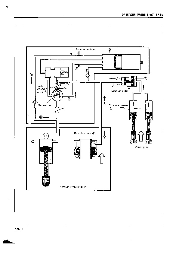
Huandi В мануалах по S-кам эта система подробно описана. ... 24.3.2011, 9:54
Cephei Цитата(Huandi @ 24.3.2011, 7:54) В мануал... 24.3.2011, 11:28
motodennis в самой вилке ничего делать не надо, кроме как про... 24.3.2011, 9:55
Исследователь Цитата(Huandi @ 24.3.2011, 9:54) В мануал... 24.3.2011, 11:24
Исследователь Только чертеж этой вилки в микрофишах как Сергей д... 24.3.2011, 11:30
Cephei Цитата(Исследователь @ 24.3.2011, 9:30) Т... 24.3.2011, 11:40
Huandi Цитата(Исследователь @ 24.3.2011, 13:24) ... 24.3.2011, 11:49
Исследователь Цитата(Huandi @ 24.3.2011, 12:49) Ой блин... 24.3.2011, 12:08
Cephei У меня тоже одной крутилкой сразу и вилка и задний... 24.3.2011, 12:35
Huandi Цитата(Исследователь @ 24.3.2011, 14:08) ... 24.3.2011, 12:51
Cephei Цитата(Huandi @ 24.3.2011, 9:51) Значит б... 24.3.2011, 13:13
serg Huandi, выложи куда-нить, я скачаю и выложу здесь ... 24.3.2011, 12:55
Исследователь О !!! Уже что то !!! 24.3.2011, 12:56
Huandi Вот он. Думал, у всех такой есть.
http://djebel-c... 24.3.2011, 13:19
motodennis Спасибо Huandi, жаль я по не мецки не бум-бум. На ... 24.3.2011, 13:37
serg Цитата(Huandi @ 24.3.2011, 13:19) Вот он.... 24.3.2011, 14:25
Serg696 Цитата(Huandi @ 24.3.2011, 9:54) В мануал... 24.3.2011, 14:39
DjAga Цитата(motodennis @ 24.3.2011, 13:37) На ... 24.3.2011, 14:59
serg В общем, я загрузил всё, что у меня было, а народу... 24.3.2011, 15:51
Cephei Спасибо огромное!!! В этом мануале дей... 24.3.2011, 16:29
motodennis DjAga, в том который ты указал нет про перевернуту... 24.3.2011, 16:44
serg Цитата(motodennis @ 24.3.2011, 16:44) До ... 24.3.2011, 18:37
motodennis Странно, serg, почему то не нашел в файлах
Ладно... 24.3.2011, 21:08
serg Цитата(motodennis @ 24.3.2011, 21:08) поч... 24.3.2011, 21:22
DjAga Цитата(motodennis @ 24.3.2011, 16:44) До ... 24.3.2011, 21:44
Вовка-МоРРковка Привет всем спорящим что и как. Шланги, регулятор ... 31.10.2011, 15:13
Исследователь Ну так уточни еще раз у "кроссменов" и р... 31.10.2011, 15:45
Вовка-МоРРковка Уже звонил, но они уехали в Орленок на продубасы.П... 31.10.2011, 22:31![]() ![]() |
|
Текстовая версия | Сейчас: 8.2.2026, 13:36 |